Конструкция водометного движителя (подвесного водомета) на базе лодочного мотора «Ветерок-12»
Одной из наиболее удачных конструкций подвесных водометов, на наш взгляд, следует признать водомет П. Атаманова, разработанный на базе лодочного мотора «Ветерок-12» (рис. 57).

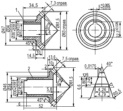
Рис. 57. Водометный движитель для мотора «Ветерок-12»
1 — верхний
фланец дейдвуда; 2 — кожух торсионного вала; 3 — выхлопной тракт дейдвуда; 4 —
торсионный вал; 5 — кулачковая муфта; 6 — крышка корпуса угловой передачи; 7 —
нижний фланец дейдвуда; 8 — верхний фланец водовода; 9 — подшипник №206; 10 —
корпус угловой передачи; 11 — ведущая шестерня; 12 — ведомая шестерня; 13 — вал
угловой передачи; 14 — подшипник №206; 15 — передняя крышка корпуса угловой
передачи; 16 — брызгоотбойник; 17 — обтекатель; 18 — входной фланец водовода; 19
— водовод; 20 — гребной вал; 21 — выходной фланец водовода; 22 — рабочее колесо;
23 — спрямляющий аппарат; 24 — сменное выходное сопло; 25 — ступица спрямляющих
лопаток; 26 — спрямляющие лопатки; 27 — трубопровод системы охлаждения
двигателя.
В этом водомете удалось сохранить без изменения серийную подвеску, поддон, систему управления и, естественно, двигатель. Конструкция водометного движителя и технология изготовления деталей была выбрана исходя из возможностей небольшой мастерской. Основными технологическими процессами являются слесарная обработка заготовок и электросварка.
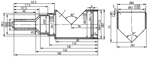
Дейдвуд мотора полностью сварной и включает выхлопной тракт и кожух торсионного вала. Верхний фланец дейдвуда полностью соответствует верхнему фланцу серийной дейдвудной трубы мотора и при изготовлении размечается по нему. Выхлопной тракт коробчатый прямоугольной конструкции сварен из листовой стали толщиной 1 мм. Для увеличения жесткости стенок на них можно сделать вертикальные гофры или изнутри приварить ребра жесткости. Снизу дейдвудной трубы приварен фланец для соединения на болтах с фланцем водометного движителя. Водовод сварен из двух симметричных половинок, вытянутых вручную из стального листа толщиной 1 мм в песчано-цементных матрицах. Сварку половинок нужно делать на болване, по которому изготавливались матрицы, обжав водовод хомутами. Детали рабочего колеса, водовода и спрямляющего аппарата приведены на рис. 58.

Рис. 58. Детали водовода, спрямляющего аппарата и рабочего
колеса.
1 — водовод; 2 — входной фланец водовода; 3 — нижний фланец
дейдвудной трубы и верхний фланец водовода; 4 — спрямляющая лопатка (развернутый
контур); 5 — схема построения (шаговые угольники) спрямляющей лопатки; 6 —
выходной фланец водовода; 7 — фланец спрямляющего аппарата; 8 — лопатка рабочего
колеса; 9 — шаговые угольники рабочей лопатки; 10, 11, 12 — сменные сопла; 13 —
конус спрямляющего аппарата.
Для передачи вращения от вертикальной рессоры к горизонтальному гребному валу служит конический редуктор с передаточным отношением 1. Корпус угловой передачи сварен из двух деталей — нижнего корпуса и вертикального стакана. Если нет в наличии расточного оборудования детали можно выточить на токарном станке, а затем сварить на составной угловой оправке. После сварки корпуса редуктора он приваривается к водоводу и верхнему фланцу водовода. Для обеспечения соосности приварку необходимо делать с собранными подшипниковыми узлами и валами редуктора. Затем к водоводу привариваются брызгоотбойник, входной фланец и обтекатель. Сверление отверстий для крепежных болтов во фланце дейдвуда и водовода производится одновременно. Для удобства монтажа и демонтажа гайки можно приварить к фланцу водовода.
Шестерни (рис. 59) изготовляются из углеродистой цементируемой стали Ст10 или Ст20 и до цементации и закалки прикатываются до получения удовлетворительного пятна контакта при проверке на краску. Характеристики зацепления: тип зуба прямой; число зубьев — 19; модуль — 3; коэффициент смещения исходного контура — 0; угол делительного конуса — 45°; угол конуса впадин — 39°54'.

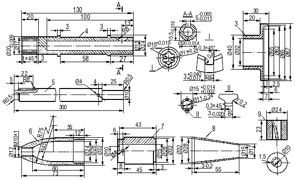
Рис. 59. Шестерни угловой передачи.
1 — ведомая шестерня; 2 —
ведущая шестерня
Регулировка зазора в зацеплении производится шайбами, устанавливаемыми под крышку корпуса редуктора и переднюю крышку угловой передачи. Контроль и проверка правильности зацепления производится через патрубок, служащий и для заливки масла. Применение любителями для изготовления шестерен легированных сталей нецелесообразно из-за сложности термообработки. Горизонтальный вал редуктора пустотелый и связан с гребным валом внутренним шлицевым соединением. Задний конец вала опирается на подшипник №204 и в месте выхода в полость водовода уплотнен двумя резиновыми манжетами 40×20×9. Детали механической передачи изображены на рис. 60.

Рис. 60. Детали механической передачи (начало).
1 — горизонтальная
часть корпуса угловой передачи; 2 — вертикальный стакан корпуса угловой
передачи; 3 — верхняя крышка корпуса; 4 — горизонтальный вал передачи; 5 —
гребной вал; 6 — ступица спрямляющих лопаток; 7 — ступица гребного колеса; 8 —
обтекатель гребного вала; 9 — втулка ступицы спрямляющего аппарата.

Рис. 60. Детали механической передачи (окончание).
Гребной вал имеет наружные шлицы для соединения с валом редуктора. Другим концом он установлен в бронзовый подшипник спрямляющего аппарата; в вале просверлено отверстие Ø 4 мм для штифта рабочего колеса.
Рабочее колесо трехлопастное с диаметром и шагом, равными 134,5 мм и дисковым отношением 0,75. Изготовлено колесо приваркой к ступице заранее согнутых лопастей, изготовленных из стали толщиной 2,5 мм. Окончательно шаг доводится холодной ковкой и проверяется на плите по шаговым угольникам.
Пятилопастной спрямляющий аппарат прикреплен к водоводу фланцевым соединением. Лопатки нужно делать из стали толщиной не менее 3 мм — спрямляющий аппарат должен иметь достаточный запас прочности, так как его значительно сложнее изготовить, чем рабочее колесо.
После приварки лопаток к ступице они протачиваются на станке по наружному диаметру для подгонки к конусу спрямляющего аппарата и привариваются к нему. В ступицу запрессовывается бронзовый подшипник гребного вала. Внутренняя смазочная полость подшипника уплотняется торцевым резиновым уплотнением. В этом узле можно использовать и резиновый подшипник, смачиваемый водой. Сменные выходные конические сопла с небольшим цилиндрическим участком на выходе крепятся к спрямляющему аппарату тремя винтами М5. Глушение шума выхлопа происходит за счет расширения выхлопных газов в большом объеме дейдвудной трубы и вывода их между стенками водовода и обтекателя через прорези в задней части всасывающего фланца водовода под уровень воды.
Охлаждение на двигатель подводится по трубке Ø 8-10 мм спрямляющего аппарата. Мотор не имеет холостого хода и поэтому при работе охлаждение обеспечивается постоянно. Охлаждение редуктора производится через трубку, введенную в обтекатель между брызгоотбойником и плитой водовода. Отсутствие реверса значительно упрощает конструкцию; в то же время на малых оборотах упор водомета настолько мал, что лодка практически стоит на месте.






