При анализе модельного ряда «Сельвы» 1990 г., насчитывающего уже 15 лодочных моторов, а также современного ассортимента (более 80 моделей) довольно четко прослеживается традиционное стремление фирмы к унификации. Во всех случаях не составляет труда выделить модели, имеющие унифицированные узлы и детали. Например, принцип использования унифицированных блоков цилиндров и дейдвудов сохранен для двух 2-цилиндровых моделей с рабочим объемом 260 см3 и четырех — с объемом 489 см3, а также для двух 3-цилиндровых с объемом 830 см3. Более того, три модели, стоящие в самом начале мощностностного ряда, собраны на базе одного двигателя и одинаковой дейдвудной части. Последовательное увеличение мощности у этой троицы (4,5 и 6,5 л.с.) достигается за счет повышения степени сжатия и применения различных жиклеров в карбюраторах.
Лодочные моторы имеют пятиканальную продувку и клапанное газораспределение с двумя 4-лепестковыми клапанами, расположенными в патрубке цилиндра сразу за карбюратором. Диффузор карбюратора снабжен насадкой — глушителем шума всасывания (предусмотрено на всех моделях фирмы) (рис. 23).

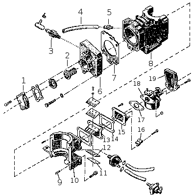
Рис. 23. Цилиндр моделей «S95», «S112» и «S135». 1 — крышка термостата; 2 — термостат; 3 — свеча зажигания; 4 — шланг системы охлаждения; 5 — штуцер; 6 — головка цилиндра; 7 — прокладка головки; 8 — цилиндр; 9 — штифт 5X18; 10 — картер; 11 — ограничитель клапана; 12 — лепестковый клапан; 13 — корпус клапанов; 14 — прокладка; 15 — впускной коллектор; 16 — замок; 17— прокладка карбюратора; 18 — карбюратор FHCD20-11; 19 — глушитель впуска.
Несмотря на малую мощность и, соответственно, небольшие нагрузки на коленчатый вал, применены шатунные подшипники игольчатого типа, что значительно повышает ресурс двигателя. Редуктор снабжен полным реверсом, однако конструкция подвески позволяет также поворачивать мотор на 360°, что исключает потери эффективности гребного винта на заднем ходу. Кроме этого, подвеска имеет фиксаторы, позволяющие наклонять мотор и безболезненно преодолевать мелководье.
Относительно маломощные лодочные моторы «Selva» оборудованы ручным пуском с нижним расположением пускового шнура (как на наших «Ветерках»). Система охлаждения включает хорошо знакомую нам помпу с резиновой крыльчаткой, однако имеет термостат, который крепится к головке цилиндра на том месте, где мы привыкли видеть свечу зажигания. Сама же она переместилась в верхнюю часть головки и ввинчивается в нее под углом к горизонтали.
По уровню экономичности эти моторы укладываются в общепринятые средние показатели. Так, четырехсильный двигатель расходует 1,5 литра топлива в час, а две другие модели -2 л/час. В конструкции более мощных моделей также использованы интересные решения. Так, на моторах мощностью более 40 л.с. запитка карбюраторов топливом производится от двух насосов одновременно, установленных на картерах разных цилиндров. На моторах же средней мощности (начиная от 20 л.с.) помимо устройства для ручного запуска, моторы снабжаются электростартером и генератором. Модели мощностью свыше 40 л.с. Имеют только электрический запуск и оборудуются гидравлической системой регулирования на ходу угла откидывания мотора от транца.
На моделях, имеющих два цилиндра и более на нижней поверхности антикавитационной плиты ставят гидродинамический компенсатор, который препятствует уводу лодки в сторону, противоположную направлению вращения винта. Он представляет собой небольшой металлический киль, устанавливаемый под углом атаки к набегающему потоку воды. Необходимо подчеркнуть, что фирма «Сельва» тщательно заботится о надежности и долговечности своих моторов. Например, литые детали изготавливаются из алюминиевого сплава с минимальным содержанием меди, крепеж, валики, пружины и другие мелкие детали делаются из нержавеющей стали. Корпус помпы водяного охлаждения - из бронзы. Применяются также защитные магниевые аноды от электрохимической коррозии в соединениях деталей из разнородных металлов.
В настоящее время фирма успешно преодолевает трудности конкурентной борьбы, даже, несмотря на то, что пять лет назад 10% ее активов купила «Ямаха». Эта сделка имела и положительный эффект: «Сельва» получила доступ к обширной дистрибьюторской сети японцев в Северной Европе и организовала собственные представительства в 35 странах мира.
Общий объем производства фирмы сравнительно с известными моторостроительными гигантами невелик: например, в 1998 г. было выпущено 7000 моторов 22 модификаций мощностью от 3,5 до 100 л.с. Однако мало кому известно, что весь штат «Сельвы», одной из старейших компаний Европы, состоит всего из 100 человек! В Россию уже несколько лет поступают моторы «Сельва». Из их обширного списка, насколько нам известно, наибольшую популярность приобрели моторы двух групп мощности - 3-6 и 20-30 л.с.
Такое предпочтение объясняется, прежде всего, преобладанием соответствующих этим мощностям типов лодок на наших водоемах. Моторы малой мощности используются на легких металлических лодках типа «Романтики» и на надувнушках, тогда как вторая группа моделей - на множестве дюралевых мотолодок — от «Казанки» до «Прогресса».
«Сельва» активно сотрудничает с японцами и, в частности, с «Ямахой», которой принадлежат 10% акций фирмы. Однако итальянцы не переняли электронную японскую систему впрыска НDPI, а выбрали механический принцип. Более того, параллельно разрабатывается две системы - это совместный с французской фирмой IFP Compressed Air Direct Fuel Injection (IAPAC) для крупных моторов и упрощенный ее вариант SCIP для маломощных моторов. Эти системы обеспечивают экономию топлива до 50% и полностью удовлетворяют экологическим нормам 2006-го года.
Новые экологичные двигатели впервые были представлены еще в 1999 г. Это две модели мощностью 40 и 50 л.с. Первые испытания и эксплуатация моторов показали, что содержание несгоревших углеводородов в выхлопных газах здесь даже ниже, чем у конкурирующих четырехтактников с системой EFI. Поскольку, как высказываются специалисты «Сельвы», прямо впрыск возможен даже в моторах с объемом всего 125 см3, то первую очередь усилия фирмы будут направлены на решени проблемы ручного запуска на малых моторах.






