Мост катамарана
Мост катамарана представляет собой легкоразборную конструкцию, соединяющую воедино все части судна (рис. 69). Они объединены в плоскостную систему: прочную, но имеющую возможность некоторой деформации за счет подвижности соединительных узлов и упругости балок-труб.
Это позволяет смягчать действующие на судно ударные нагрузки, например, при плавании в волнение, не создавая тем самым пиковых напряжений в раме. Повышается и мореходность: поплавки уже не врезаются в волны, а плавно описывают их профиль, то есть изменяют дифферент, независимо друг от друга.

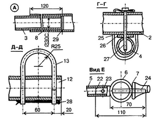
Рис. 69. Мост катамарана:
1 - баллерная накладка, труба
50x2,5; длина 80 мм; 2 - центральная балка - кормовая секция, труба 45x1,5,
длина 1750 мм; 3 - стрингер - кормовая секция, труба 30x1, длина 1750 мм; 4 -
кормовая поперечная балка, труба 40x1,5, длина 1750 мм; 5 - распорка, труба
20x1, длина 905 мм

Рис. 69. Мост катамарана (окончание):
6 - мидельная
балка, труба 50x1,5, длина 1750 мм; 7 - стяжка, труба 30x1, длина 1420 мм; 8 -
стрингер - носовая секция, труба 32x1, длина 1750 мм; 9 - степсовая коробка; 10
- гак, труба 10x1; 11 - носовая поперечная балка, труба 45x1,5, длина 1750 мм;
12 - центральная балка - носовая секция, труба 50x2, длина 1670 мм; 13 - скоба
штага, труба 10x1, длина 300 мм; 14 - поплавок; 15 - карман стрингера; 16 -
резиновая прокладка; 17 - обмотка крюка гака; 18 - фиксатор; 19 - болт М8х120;
20 - гайка М8; 21 - втулка Ø10 мм, 22 - пробка; 23 - заклепка Ø3; 24 - штырь Ø8
мм; 25 - шкертик; 26 - шайба; 27 - штырь, Ø5x80; 28 - шплинт; 29 - заклепка Ø3;
А - узел соединения секций стрингеров
Для удобства перевозки многие элементы моста сделаны составными. Конструкции соединяющих узлов надежны и состоят из минимального числа деталей. Например, соединение поперечных балок со стрингерами поплавков. Здесь только одна работающая деталь - гак, согнутый из трубки небольшого диаметра, с парой отверстий под пружинный фиксатор в верхней части. Между балками ставится резиновая прокладка, крюк гака обматывается изоляционной лентой на тканевой основе: для снятия концентрации напряжения в этом месте, а также для увеличения трения, препятствующего смещению поплавков вдоль судна.
Центральная балка и все стрингеры состоят из двух труб каждый. Между мидельной и кормовой балками поставлены трубы-распорки, оканчивающиеся вбитыми в них пробками с короткими штырями. Ими они просто - без закрепления - входят в соответствующие отверстия в балках. Кроме того, в носовой части имеются стяжки, образующие с мидельной балкой треугольник: у основания они «насаживаются» на штыри распорок, а в вершине соединяются между собой и с другими элементами болтовым замком. Стяжки и распорки поставлены для того, чтобы зафиксировать раму и не позволять частям поперечного набора смещаться в продольном направлении. На центральной балке находится также степсовая коробка - на болтовом соединении, а в самом ее начале поставлена скоба штага, которая шплинтуется при сборке.






