Устройство, замена поршневых кольц лодочного мотора Вихрь
Поршневые кольца для лодочных моторов "Вихрь" изготавливаются из высоколегированного чугуна. Они имеют разрез, называемый замком; торцевые поверхности кольца в поршне шлифованные. В разрезе они имеют специальный профиль под стопоры.
Одно из важнейших свойств кольца — его упругость, которую оно не должно терять при высоких температурах нагрева поршня (рис. 46).

Рис. 46. Поршневое кольцо. Материал — чугун СЧ24-44. Твердость HRC98-108. Нагрузка Q при испытаниях на упругость до размера D равна: кольцо 2.110-002 ("Вихрь") — 1600-2200 г; кольцо 4.110-002 ("Вихрь-М") — 2000-2750 г; кольцо 3.110-002 ("Вихрь-30") — 2300 - 4200 г
В свободном состоянии кольца зазор в его замке равен 5-7 мм. Вставленное в цилиндр кольцо сжато, зазор в замке уменьшается до 0.2-0.05 мм. За счет упругости кольцо плотно прилегает к зеркалу цилиндра, обеспечивая уплотнение поршня. Остаточный (так называемый тепловой) зазор в замке кольца совершенно необходим, так как в случае его отсутствия или очень малой величины при нагреве двигателя концы кольца могут сомкнуться, и его заклинит в цилиндре. В замке есть выемка, в которую входит штифт, расположенный в канавке поршня.
При проверке компрессии через свечное отверстие, прежде чем разбирать двигатель, надо, если давление воздуха будет слабым, осмотреть поршневые кольца и замерить зазоры в их стыках. Для этого следует снятое с поршня кольцо вставить в цилиндр, опустить без перекоса при помощи обратного торца поршня вниз на 5-10 мм от верхнего торца и щупом замерить зазор, как показано на рис. 47, а, или замерить в размерном калибре — кольце (рис. 47, б).

Рис. 47. Замер зазора в стыке поршневого кольца (а) и его проверка в замке колец (б)
Желательно иметь зазор от 0.3 до 0.5 мм, если зазор — около 1.0 мм, кольцо подлежит замене.
Внимание: Кольцо нужно осмотреть на наличие—отсутствие трещин, особенно у замка.
Если рабочий диаметр кольца имеет большие (по дуге) зачерненные сектора, явно свидетельствующие о прорыве газов, оно тоже подлежит замене.
Поршневые кольца можно только зачищать по верхнему и нижнему торцу от нагара. Никаким другим ремонтным работам их не подвергают. Рабочий диаметр пригодного к дальнейшей эксплуатации поршневого кольца должен быть светлым от трения: небольшие черные полоски от прорыва газов браковочными признаками не являются.
Хорошо, если есть новые запасные кольца. А если их нет, что делать? Огорчаться не стоит, ибо в "Вихрь-30" с диаметром цилиндра 72.0 мм можно установить кольца, немного доработав по замку, от мотоцикла "ИЖ-Планета" (при покупке уточнить диаметр — он должен быть 72.0 мм). Профиль замка и его размеры показаны на рис. 48.

Рис. 48. Профиль и размеры замка при использовании поршневого кольца "ИЖ-Планета". 1 — поршень; 2 — поршневое кольцо
Прежде чем ставить эти кольца, их нужно тщательно осмотреть — нет ли на них трещин и раковин — и проверить состояние замков. Раковины на рабочем диаметре крайне нежелательны. После осмотра каждое кольцо выставляют рабочим диаметром внутрь поршневой канавки и "обкатывают" вокруг поршня для проверки соответствия глубине канавки (рис. 49) и ее ширине.

Рис. 49. Проверка соответствия кольца глубине канавки поршня (а) и зазора между поршневыми кольцами и канавками (б). 1 — поршень; 2 — линейка; 3 — поршневое кольцо Затем, предварительно вставив кольцо в поршневую канавку, надо посмотреть, на сколько нужно подпилить конец у замка (с его торца), чтобы стопор не мешал ему опуститься в канавку поршня.
Внимание: Подпилить конец уса можно только по торцу разреза кольца, но не на всю его толщину, чтобы не увеличить зазор в стыке. По первому образцу нужно доработать остальные три кольца и установить их на поршень.
Как показала практика, "чужие" кольца, доработанные таким образом, хорошо работают на поршне "Вихря-30". Если необходимости в замене колец нет, нужно аккуратно снятое кольцо положить на ровную плоскость и зачистить оба торца oт нагара (он скапливается в основном на верхнем торце, поскольку нижний постоянно прижат к канавке поршня силой газов). Нельзя зачищать торцы, держа кольцо в руке: это неминуемо кончается его поломкой. Чтобы сохранить приработку колец к поршню и цилиндру, ко всем снятым кольцам нужно прикрепить бумажку с указанием, на каком поршне оно стояло (верхнем "В" или нижнем "Н") и в какой канавке ("верхней" или "нижней"). При снятии и надевании колец под них нужно вставлять полоски металлической фольги, чтобы избежать поломки, так как кольца довольно хрупкие. Как пользоваться фольгой, показано на рис. 50.

Рис. 50. Использование фольги при снятии и надевании колецНа поршни мотора "Вихрь" можно ставить кольца от мотора "Вихрь-М", предварительно уменьшив (путем шлифования) их толщину с 2.5(-0.01 ...-0.03) до 2.0(-0.01...-0.03) мм. Шлифовать нужно очень аккуратно, с небольшой подачей. Снимать металл желательно одновременно с двух сторон; если это технически невозможно, надо снимать металл со стороны, противоположной полуотверстию под стопор.
Если шлифовального станка нет, можно уменьшить толщину кольца путем притирки на шкурке, закрепленной на гладкой плите или толстом стекле. Во избежание поломки кольца усилие во время притирки не должно разжимать кольцо. Лучше всего сделать для этого несложное приспособление. На куске толстой фанеры или дощечки очертите окружность Ø67.5-68.0 мм. По четырем противоположным точкам забейте четыре маленьких гвоздика (без шляпок) так, чтобы они выступали на величину, меньшую, чем толщина кольца, чтобы притиралось оно, а не эти фиксаторы. Вставив между этими гвоздиками-фиксаторами сжатое кольцо, можно приступить к работе.
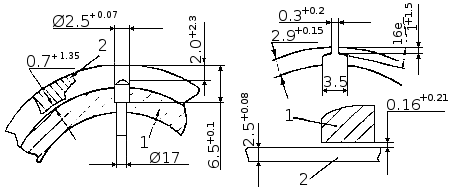
Допускается использование и компрессивных колец от автомобильного двигателя "Москвич-401", но с их доработкой по толщине и пазу под стопор, который нужно выпилить круглым надфилем. Эскиз замка кольца приведен на рис. 46. При наличии производственных возможностей можно изготовить новые поршневые кольца. Чертеж кольца для поршней всех моделей моторов "Вихрь" с указанием основных технических условий приведен на рис. 47. Чтобы не терять мощность двигателя, обе торцевые поверхности и наружный диаметр колец при их изготовлении обязательно должны шлифоваться.






