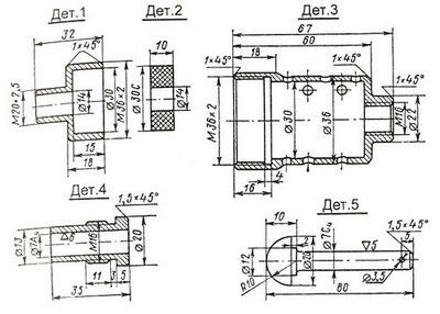
Самодельный шпигат
В лодке всегда скапливается вода от дождя, забрызгивания при ходе на волнении и т. п. В таких случаях очень полезен шпигат с дистанционным управлением, который позволяет удалять воду из лодки на ходу.
Устройство ввинчивается в то же отверстие, что и сливная пробка, и не
требует переделок в корпусе. В штуцер 1 (рис. 42) шпигата, который
ввинчивается в отверстие пробки, впрессовывается резиновая шайба 2,
служащая для уплотнения клапана, когда он закрыт. Отверстие перекрывается
сферической головкой штока 5, который прижимается к шайбе посредством
пружины, надетой на шток.

Рис. 42. Детали шпигата
Шток скользит в направляющей втулке 4, ввинчиваемой в резьбовое отверстие стакана 3. Через отверстие Ø3,5 мм на конце штока пропускается проволока, которая проводится к месту водителя. Здесь у киля закрепляется обычная оконная защелка, к концу которой крепится конец проволоки. Все детали шпигата необходимо изготовить из нержавеющего материала.






