Карбюратор, топливный бак
Устройство и работа карбюратора (рис. 112) аналогична рассматриваемым ранее.

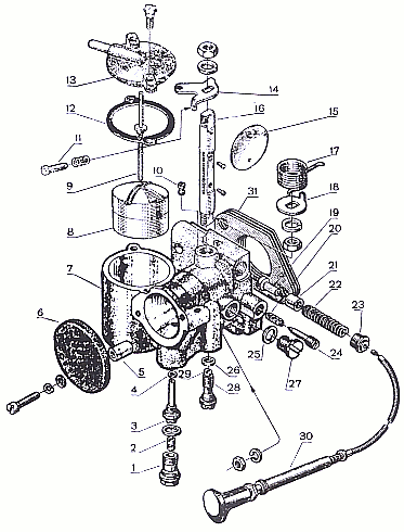
Рис. 112. Карбюратор: 1 - корпус главного жиклера; 2 - главный жиклер; 3 - распылитель; 4 - прокладка распылителя; 5 - втулка; 6 - крышка; 7 - корпус карбюратора; 8 - поплавок; 9 - шток; 10 - жиклер воздуха; 11 - винт упорный с пружиной; 12 - прокладка; 13 - крышка поплавковой камеры; 14 - рычаг; 15 - заслонка; 16 - ось заслонки; 17 - пружина возвратная; 18 - шайба упорная; 19 - клапан; 20 - пружина иглы качества; 21 - втулка; 22 - пружина; 23 - пробка; 24 - игла качества; 25 - прокладка; 26 - прокладка штуцера; 27 - пробка; 28 - корпус жиклера; 29 - жиклер; 30 - трос; 31 — прокладка.
Приготовление бензовоздушной смеси (при работе на средних нагрузках) производится главной дозирующей системой, для работы на полной мощности, на режиме холостого хода и при пуске также существуют свои системы. Так, система холостого хода состоит их воздушного и топливного жиклеров холостого хода, которая образованную в каналах бензовоздушную эмульсию подает в смесительную камеру при открытой дроссельной заслонке. Сечение отверстия регулируется винтом качества, вращая который судоводитель обогащает или обедняет горючую смесь. Число оборотов регулируется упорным винтом (винтом количества), ограничивающим закрытие дроссельной заслонки. Состав смеси (эмульсии), необходимый для пуска двигателя (особенно в условиях низких температур), готовится в другой системе, из которой при открытом клапане подсоса и закрытой дроссельной заслонке всасывается в цилиндры. Топливный бак, стальной, сварной, штампованныи, имеет заливную головку с крышкой и штуцер с заборником. В крышку впаяны: заборная и дренажная трубки.
При работе двигателя гайка заглушки дренажной трубки должна выворачиваться, чтобы полость бака сообщалась с атмосферой При неработающем двигателе гайка заглушки завертывается. Снизу заборной трубки имеется сетчатый фильтр. Для заполнения системы на топливном шланге имеется груша с обратные клапаном. Топливный насос служит для принудительной подачи топлива в карбюратор и работает за счет перепада давлений в кривошипной камере двигателя. Между двумя частями корпуса насоса имеется диафрагма. Верхняя полость насоса над диафрагмой соединена с полостью картера цилиндра двигателя нижняя является частью топливной магистрали и имеет клапаны, пропускающие топливо только от бака к карбюратору. При изменении давления в полости картера из-за колебаний диафрагм топливо засасывается из бака в карбюратор до срабатыания запорного игольчатого клапана карбюратора. Смазка двигателя осуществляется маслом, до бавляемым в топливо. Рекомендуемая марка масла и его процентное содержание в топливе в период обкатки и при эксплуатации мотора указывается в заводских описаниях и инструкциях. При покупке и в процессе эксплуации двигателя (подвесного лодочного мотора) рекомендуе проконсультироваться с продавцом относительно применяемых бензина и масла, возможны замен отечественными горюче-смазочными материалами (при приобретении иностранных двигателей). Следует иметь в виду, что для двухтактных двигателей (к числу которых относится большинство ПЛМ) примеяется специальное масло.






