Картер и коленчатый вал ПЛМ
Картер (рис. 109) алюминиевый литой, состоит из трех частей, образующих две кривошипные камеры, разделенные уплотняющим лабиринтным кольцом. Плоскости разъема камер уплотнены прокладками и резиновый сальниками. К фланцам на картере крепятся цилиндры, карбюратор и топливный насос. В средней части картера предусмотрен канал, через который из карбюратора к кривошипным камерам подводится свежая топливная смесь. Коленчатый вал изготовлен из двух неразъемных кривошипов, каждый из которых имеет по две полуоси, соединенных пальцами на прессованных посадках. Кривошипы, в свою очередь, соединены между собой торцовыми шлицами.
Опорами коленчатого вала служат три радиальных шариковых (запрессованы в верхней и нижней частях картера) и два игольчатых сепараторных подшипника в средней части картера.

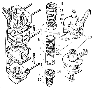
Рис. 109. Картер и коленчатый вал: 1 - картер; 2 - прокладка; 3 -шайба пружинная; 4 - кольцо; 5 -сепаратор игольчатого подшипника; 6 - втулка; 7 - кольцо лабиринтное; 8 - подшипник; 9 - сальник; 10 - пружина сальника; 11 - втулка; 12- сальник; 13 -коленчатый вал; 14 - шайба золотниковая; 15 - шайба золотниковая нижняя; 16 - шайба регулировочная.
На верхней конусной части коленчатого вала закреплен маховик, нижняя часть соединена с валом-рессорой, передающим вращение на гребной винт. Маховик представляет собой отлитый из алюминиевого сплава диск, основная масса которого располагается по ободу и тщательно балансируется. В ступицу маховика залита стальная втулка для его посадки на коленчатый вал. Маховик одновременно используется для размещения магнето. Выход коленчатого вала из картера с обоих сторон уплотняется резиновыми сальниками. Шатуны двутаврового профиля - штампованные из легированной стали. Верхние готовки шатунов неразъемные, с запрессованными бронзовыми втулками, соединяются с поршнями пальцами плавающего типа, нижние топом на игольчатых подшипниках. Поршни алюминиевые, литые, с канавками для компрессионно колец, в зависимости от модификации мотора и системы продувки, имеют дефлекторную либо сферическую головки. Кольца фиксируются в канавках поршней в определенном положенииш порными штифтами (у колец - выточки). Дейдвудная труба, служащая основанием для соеднения воедино двигателя (крепится к верхнему ее фланцу вместе с поддоном, имеющим прим для рукояток), редуктора (его корпус крепится к нижнему фланцу) и подвески, изготовлена из алюминиевого сплава. Внутри дейдвуда размещены рессора привода винта, тяга управгм реверсом, трубка подачи охлаждающей воды в двигатель. Привод гребного винта осуществляется через реверсивный конический редуктор (рис. 110), смонтированный в литом корпусе, состоящем из двух половин - корпуса и крышки, соединенных винтами на герметике.

Рис. 110. Привод гребного винта:
1 - корпус
редуктора; 2 - болт; 3 - втулка; 4 - болт; 5 - палец; 6- втулка резиновая; 7 -
пружина сальника; 8 - сальник; 9 - корпус помпы; 10 - крыльчатка; 11 - пластина;
12 - вал-шестерня; 13 - кольцо регулировочное; 14 -гайка; 15 - шайба стопорная;
16 - подшипник; 17 - стакан; 18 -кольцо регулировочное; 19 -кольцо
уплотнительное; 20 - втулка; 21 - шайба контровоч-ная; 22 - подшипник
скольжения; 23 - шестерня заднего хода; 24 -вал; 25 - муфта; 26 - шестерня
переднего хода; 27 - тяга реверса; 28 - сепаратор; 29 - втулка; 30 - шайба; 31 -
крышка редуктора.
Конструктивно привод состоит из ведущей шестерни, изготовленной вместе, с вертикальным валом, ведомых конических шестерен переднего и заднего хода, кулачковой муфты и ведомого горизонтального вала. Ведомые шестерни свободно сидят на горизонтальном валу, опирающемся на шарикспа шипники, запрессованные в корпус редуктора. Двусторонняя кулачковая муфта с помощью тяги реверса перемещается по шлицам горизонтального вала и входит в зацепление с торцов зубьями шестерен переднего или заднего хода, соединяя их с ведомым валом. Ведомые шестерни входят в зацепление с вращающимся в шарикоподшипниках валом - ведущей шестерней. Вращение от двигателя на редуктор передается через рессору, с которой соединен вертикал ный вал ведущей шестерни. На верхней части вертикального вала смонтирована водяная помпа. На режиме "передний ход" кулачковая муфта входит в зацепление с торцовыми зубьями шестерни переднего хода и передает вращение горизонтальному валу и гребному винту, то же - на режиме "задний ход", только в зацепление входит шестерня заднего хода, На "нейтрали" - (при среднем положении кулачковой муфты) обе шестерни свободно вращаются на неподвижном горизонтальном валу. Соединение гребного вала с винтом упругое, через резиновый демпфер. Редуктор герметичен, заправлен маслом через соответствующее заливное отверстие (слив - через сливное). Пробки обоих отверстий имеют уплотняющие резиновые кольца. Для обеспечения пуска и нормальной работы, как и всякий двигатель внутреннего сгорания, подвесной лодочный мотор имеет системы питания, смазки, зажигания и охлаждения. В систему питания (рис. 111) входит топливный бак (емкость 22 литра), топливный резиновый шланг с подкачивающей помпой, диафрагменный топливный насос и карбюратор поплавкового типа с горизонтальным расположением смесительной камеры.

Рис. 111. Система питания мотора: 1 - топливный бак; 2 - соединительный шланг; 3 - помпа-груша; 4 - соединительна муфта; 5 - топливный насос; 6 - диафрагма; 7 - отстойник; 8 - сетчатый фильтр; 9 - карбюратор; 10 - золотник;11 - канал для подвода топливной смеси.






