Система зажигания
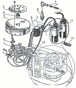
В систему зажигания (рис. 114) входят маховичное
магдино, две высоковольтные катушки и две свечи, которые обеспечивают уверенный
пуск и надежную работу двигателя на всех режимах.

Рис. 114. Система зажигания: 1 - основание магдино; 2 - рычаг; 3 - маховик; 4 - гайка; 5 - диск; 6 - клеммник; 7 - конденсатор; 8 - свеча; 9 - колпачок; 10 - наконечник; 11 - катушка зажигания; 12 - кнопка "стоп"; 13 - кронштейн; 14 - сегмент.
На некоторых моделях ПЛМ предусматривается система подзарядки аккумулятора и отбора электроэнергии для питания сети освещения и сигнальных огней. Контроль за работой систем ПЛМ обеспечивается контрольно-измерительными приборами, поставляемыми в той или иной комплектации для различных типов ПЛМ или изготовленными своими руками по чертежам, размещаемым в многочисленных изданиях (тахометр, сигнализатор работы системы охлаждения).






