Зимний многозуб
Планка многозуба изготавливается из титана. Прочности достаточно, а вес существенно меньше, чем у стали. Зубья из рояльной 5-миллиметровой проволоки.
Пружинные свойства их таковы, что обычному мужчине зуб не согнуть даже с помощью пассатижей. Такая жесткость оправдана и тем, что при ударах о камни наконечник почти не тупится, и тем, что зубья при встрече с рыбой не расходятся и с нее не соскальзывают.
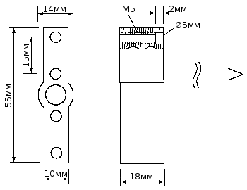
Длина зубьев — 20 см. Для зимы можно было бы и поменьше, но за его долгую жизнь, из-за периодического подтачивания, длина зубьев уменьшилась. Расстояние между осями зубьев 1,5 см. Планке не надо придавать гидродинамическую форму, так как стрельба ведется с небольших дистанций и мощности выстрела даже из речного ружья хватает вполне. К тому же тонкая планка будет рубить мелкую рыбу, в то время как широкая и плоская — только глушить. В планке должен быть гладкий 5-миллиметровый заход на 2-3 мм, чтобы исключить обламывание зубьев на последней нитке резьбы (рис. 19).

Рис.19.






