Данная схема обогрева рубки (разработка А. Карпова) основана на использовании горячей воды от системы охлаждения двигателя подвесного мотора. Вода из системы охлаждения дополнительно нагревается (примерно на 30°) в результате прохождения через горячий корпус выхлопного коллектора. Затем она подается в отопитель автомобильного типа.
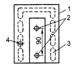
Например, на «Вихре-30» коллектор состоит из двух симметричных секций, в одной из которых следует выполнить отверстие в водяной канал. После этого в корпус коллектора вваривается алюминиевая трубка 010 и длиной 20 мм, которая служит штуцером. Можно пойти и другим путем — нарезать резьбу и ввернуть штуцер от тормозной системы автомобиля. После этого в средней части коллектора, в пространстве между водяными каналами, сверлятся два отверстия Ø 10 на расстоянии 90 мм друг от друга. При этом надо следить, чтобы не повредить сам канал (рис. 56).

Рис. 56. Схема расположения отверстий в глушителе.
1 -
корпус глушителя; 2 - отверстия под нагреватель; 3 - расположение окон водяного
канала в блоке цилиндров; 4 - отверстие для штуцера отбора воды из системы
охлаждения.
В качестве нагревателя используется стальная трубка Ø10 мм длиной 190 мм, с обоих концов которой нарезается резьба на длине 40 мм. Предварительно паяльной лампой разогревают концы трубки и загибают их под прямым углом, так, чтобы трубка приняла П-образную форму. Затем на резьбу с обоих концов наворачиваются гайки небольшой толщины (рис. 57).

Рис.
57. Водяной нагреватель в сборе.
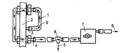
В снятый коллектор нагреватель вставляется в внутренней стороны выхлопных окон. Чтобы исключить прорыв выхлопных газов, резьба должна быть загерметизирована. Выходные концы нагревателя с наружной стороны также обжимаются гайками с учетом свободного места для подсоединения шлангов. Штуцер из рубашки охлаждения трубкой соединяется с любым из штуцеров нагревателя. В поддоне, рядом со штуцером топливной системы, выполняется отверстие, в которое пропускается трубка, соединенная со вторым концом нагревателя. В дальнейшем эта трубка соединяется с установленным в рубке радиатором (от отопителя легкового автомобиля) двумя патрубками — нижним входным и верхним выходным. Это необходимо для избежания воздушных пробок. За радиатором устанавливается вентилятор, питающийся от аккумулятора. Шланг от верхнего патрубка радиатора выводится за борт (рис. 58).

Рис. 58. Принципиальная схема работы отопителя.
1 -
направление движения воды; 2 - корпус глушителя; 3 - штуцер отбора воды из
системы; 4 - штуцер нагревателя; 5 - отвод воды на хозяйственные нужды; 6 -
вывод воды за борт; 7 - радиатор с вентилятором; 8 - трехходовой вентиль; 9 -
соединительная трубка.






