Усовершенствованный эжектор
Для большинства конструкций шпигатов характерен один недостаток — отсутствие надежного контроля за функционированием запирающего клапана, что чревато затоплением лодки на стоянке. В предлагаемой конструкции (разработка А. Каменского и Л. Кресова), как и в предыдущем случае, использован эффект сифона, что позволяет обходиться без дополнительных отверстий в корпусе. Крепление эжектора на кронштейнах позволяет легко поднять его над водой, когда необходимость в откачке воды отпадает. Конструкция эжектора понятна из рисунков (рис. 62 и 63).

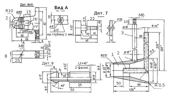
Рис. 62. Общий вид эжектора.
1 - диффузор; 2 - трубка
10x1; 3 - стойка, пруток Ø10; 4 - нижний кронштейн; 5 - труба пластмассовая Ø10;
6 - верхний кронштейн; 7 - зажимной винт; 8 - штуцер; 9 -
водозаборник.







