Когда приходится знакомиться со специальной литературой, связанной с фотографией, находится множество специфических терминов, незнание сути которых усложнит изучение предмета. Они будут встречаться и в справочных материалах, и в инструкциях.

Многие современные публикации по подводной фотографии пестрят значительным числом иностранных терминов, которые автор не счел нужным переводить, чтобы не засорять язык и усложнять восприятие информации.
Употребление этих терминов можно расценивать как неуважение к отечественной школе подводного плавания, ведь многие иностранные названия и выражения имеют вполне лаконичную и понятную трактовку на русском языке. Хочется верить, что это наносное веяние со временем примет очертания цивилизованного подхода к институту подводной фотографии в России.
Аберрация — погрешность, создаваемая объективом. Она включает в себя сферическую, хроматическую аберрацию, кривизну поля изображения, кому, дисторсию и астигматизм. Большинство указанных погрешностей в современных объективах сведено к минимуму путем использования многолинзовых систем, изготовленных из стекол с различным коэффициентом преломления. Пожалуй, только сверхширокоугольная оптическая система типа «рыбий глаз», активно применяемая в подводной фотографии, служит примером неустранимой дисторсии (происходит искривление прямых линий на краях изображения).

Абберация. На фотографии явно искажены размеры левой руки дайвера, оказавшейся на краю кадра. Фото А. Чикина
Автомат экспозиции — все экспозиционные параметры в нем задаются автоматически; возможен переход на ручной режим работы.
Анастигматы — наиболее корригированные объективы, имеющие 3— 4 линзы и больше. Применяются в качественных камерах и дают изображение с хорошей резкостью по всему полю изображения.
Астигматы — наименее коррегиро-ванные объективы, состоящие из одной или двух линз. Подобные оптические системы применяются в простейших фотокамерах.
Ахроматическая насадка — устройство, применяемое в совокупности с фотографическим объективом для макросъемки.
Байонет — узел сопряжения объектива с корпусом камеры. Однако продолжается выпуск фотоаппаратов, в которых данную задачу решает резьбовое соединение. Постепенно большинство фирм-производителей перевело свои фотокамеры на байонетное, более усовершенствованное соединение.
Крупные фирмы-изготовители фототехники применяют байонеты собственной конструкции. Например, оптика для Nikona не подходит камерам Minolta, но байонеттипа «К» применяют фирмы Soligor и Ricoh.
Отечественные подводные фотографы самостоятельно разработали узлы, позволяющие применять различную иностранную оптику с фотоаппаратами «Зенит» и «Киев». В издании «Фотолюбитель-конструктор» можно найти чертежи переходных колец и адаптеров к различной оптике отечественного и иностранного производства (К/«Зенит», КП-А/Н, КП6/Н, КП88/Н).
Бипризма Френеля — оптическая схема, состоящая из двух стеклянных призм, соединенных боковыми сторонами. Предназначена для фокусировки в однообъективных 35-мм зеркальных фотоаппаратах.
Ведущее число — произведение расстояния (в метрах) от объекта съемки до фотовспышки и числа деления шкалы диафрагмы объектива. Зная ведущее число и расстояние от импульсного осветителя до объекта съемки, можно быстро определить число диафрагмы объектива в каждом конкретном случае.
Для этого значение ведущего числа делят на расстояние, указанное выше. Следует учитывать, что ведущее число зависит не только от энергии фотовспышки, но и от угла рассеяния ее светового пучка и конструкции отражателя.
Последнее особенно касается тех любителей подводной фотографии, которые сами изготавливают подводные импульсные осветители (они часто упрощенно подходят к данному вопросу). В инструкции, прилагаемой ко всем современным фотовспышкам, обязательно указывается их ведущее число. Оно может быть введено и в название осветителя в виде числового значения.
Ведущее число (К) — величина, характеризующая степень экспонирования при фотосъемке с использованием фотовспышки.
Видоискатель — специальное устройство фотоаппарата, позволяющее видеть и определять границы изображаемого пространства, а также фокусировку. В видоискателе отображаются и некоторые параметры съемки: текущая выдержка, диафрагма, готовность TTL и фотовспышки к работе, показания системы замера, фокусировки и т.д.
По конструкции видеоискатели бывают рамочные, зеркальные и телескопические. Рамочный видоискатель состоит из одной или нескольких рамок (в зависимости от фокусного расстояния испол ь-зуемого объектива), расположенных на корпусе фотоаппарата или боксе.
До сих пор он применяется на камерах-амфибиях простого класса, а в прошлом устанавливался на зарубежные и отечественные фотобоксы УПК и КПФ. При работе под водой объект помещают в рамку видоискателя, фиксируют в ее пределах и фотографируют. Телескопический видоискатель используется в дальномерных и шкальных фотоаппаратах. Зеркальный видоискатель, состоящий из объектива, отклоняющего зеркала и коллективной линзы, успешно применяется в современных зеркальных камерах высокого класса.

Типы видоискателей фотоаппаратов: а — рамочный; б — телескопический: 1 — корпус фотоаппарата; 2 — окуляр видоискателя — положительная линза; 3 — объектив видоискателя — отрицательная линза; в — зеркальный видоискатель с пентапризмой: 1 — объектив фотоаппарата; 2 — матовое стекло; 3 — коллективная линза; 4 — пентапризма; 5 — окуляр видоискателя; 6 — корпус фотоаппарата; 7 — задняя стенка; 8 — фотопленка; 9 — поднимающееся зеркало; 10 — шторно-щелевой затвор
Воздушная перспектива — глубина пространства, создаваемая благодаря наличию воздушной дымки.
Гермосхема — система герметизации подводного фотооборудования, предполагающая его надежную работоспособность во всем диапазоне рабочих глубин аппаратуры с превышением запаса прочности в два раза от заявленных технических данных.
К сожалению, некоторые образцы подводной техники иностранного производства не всегда соответствуют последнему условию, что следует учитывать в практике подводной фотографии. Гермосхема фотобокса включает в себя: корпус с крышкой, иллюминатор, гермовводы осветительного оборудования и дистанционного управления, герметизацию осевых выводов управления камерой. В схему герметизации подводных импульсных осветителей входят: иллюминатор, корпус-крышка, гермовводы синхронизатора, управления электроникой и светосинхронизатора.
В качестве герметизирующих элементов рекомендуется использовать стандартные кольцевые прокладки, предназначенные для работы в пресной и морской воде, в среде минеральных масел, топлива и в диапазоне температур окружающей среды от — 50° до 100 °С. Уплотнения должны обеспечивать надежность работы при давлении 100—200 кгс/см2 (глубина 1000—2000 м). Больше всего отвечают указанным требованиям кольцевые прокладки, применяемые в авиационной и космической технике.
Гиперфокальный объектив — простая, не обладающая большой светосилой оптическая система, настроенная на фиксированное расстояние (гиперфокальное — «Н»), например, от 1 м до бесконечности. Объектив подобной конструкции устанавливают на недорогие подводные камеры, прозванные в народе «мыльницами».
Глубина резкости — расстояние, измеренное вдоль оптической оси объектива, в пределах которого изображение предметов выглядит наиболее резким. Это очень важная характеристика в подводной фотографии. Фокусировка объектива в этом случае требует дополнительного времени. Рассчитать глубину резкости с учетом использования импульсных осветителей желательно

Расчет глубины резкости: а — глубина резкости при наводке на 3 м,
диафрагма — 11; б — глубина резкости при наводке на гиперфокальное расстояние —
диафрагма 8
уже на берегу, тогда останется только поместить снимаемый объект
в кадр и нажать на спуск фотоаппарата.
Джоуль — единица измерения мощности светового излучения импульсных фотовспышек. Условное ее деление: до 36 Дж — нижний уровень мощности осветителя, до 72 — средней и более 100 Дж — мощный осветитель.
Диапозитив — позитивное изображение на прозрачной основе, которое можно рассматривать с помощью проектора или на свет, а также проецировать на белый экран. Диапозитивы могут быть изготовлены как на черно-белой, так и на цветной пленке.
Задний и рабочий отрезки — конструктивные параметры фотоаппарата. Задний отрезок — это расстояние от вершины задней линзы объектива до фокальной плоскости камеры, на которой формируется фокус снимаемого кадра с помощью используемой в данный момент оптической системы. Рабочий отрезок — расстояние от его опорной поверхности оправы до фокальной плоскости. При подборе для фотоаппарата нового объектива необходимо обязательно учитывать его рабочий отрезок, иначе возникнут проблемы с фокусировкой. В применяемых под водой широкоугольных и особенно сверхширокоугольных объективах зеркальных камер рабочий и задний отрезки должны быть больше фокусного расстояния.
Заполняющий свет — это свет, который используется для подсветки теней от объекта или окружающих его предметов. На практике подобное явление называют еще выравниванием света.
Кадрирование — самостоятельный выбор границ и формата изображения. Кадрирование часто применяют при печати фотографий. Это позволяет убрать из кадра второстепенные объекты, сконцентрировав внимание наблюдателя на сюжетно важной части кадра.
Контактная фотопечать — способ печати изображения, при котором негатив плотно прижимается к позитивному материалу. В данном случае фотографии будут равны размерам кадра.
Контровое освещение — освещение, используемое для создания бликов света с тыльной части объекта съемки.
Корректирующие светофильтры — оптические системы, предназначенные для компенсации повышенной чувствительности черно-белых фотопленок к ультрафиолетовому и синему излучению.
Кратность светофильтра — число, показывающее во скол ько раз на фотопленку попадет меньше света вследствие расположения стекла светофильтра различной плотности между объектом съемки и объективом.
Крупноформатный фотоаппарат — громоздкая камера, долгое время применявшаяся в фотостудиях XX в. Она имела сменные задние магазины. В качестве чувствительного материала использовались отдельные листы плоской форматной пленки, которые вставляли в специальные кассеты.
Съемка крупноформатной камерой осуществлялась с не менее громоздкого штатива. Для кадрировки использовалось матовое стекло, расположенное в задней части фотоаппарата. После того как кадрирование заканчивалось, затвор закрывали, устанавливали экспозицию, а пленку, находящуюся в камере, выдвигали в прорезь задней стенки фотоаппарата, которая закрывалась непрозрачной заслонкой. Далее кадры экспонировались.
Затем заслонки возвращались на место, кассету с пленкой извлекали из корпуса камеры и передавали на проявку. Необходимо отметить, что фотоаппараты данного типа применяли под водой на заре подводной фотографии.
Макрофотография — фотографирование различных объектов, размеры которых приблизительно равны размерам кадра фотоаппарата. Чтобы добиться соответствующего художественного эффекта, вместе с камерой используют промежуточные кольца, оборачивающее кольцо, раздвижной мех или специальный макрообъектив. Масштаб, применяемый в макрофотографии, колеблется от 1:15 до 20:1. С ее помощью можно показать детали объекта, невидимые невооруженным глазом.
Маскирование метод устранения цветовых искажений с помощью изменения тонов фотоизображения.
Мегапиксель содержит 1 млн пикселей. Обычно данный термин используется для характеристики возможностей цифровых фотокамер от пяти мегапикселей и выше.
Механический фотоаппарат — простая камера с механическим затвором, работающим без элементов питания. Однако она может иметь и электронику.
Микрофильм — уменьшение копий плоских оригиналов: рукописей, карт, чертежей и других документов в масштабе от 1:3 до 1:30—1:50. С помощью специальных проекционных аппаратов микрофильм, выполненный на фотопленке, легко читается, размножается и хранится, позволяет защищать от износа ценные документы, уменьшая их площадь до 90%. Для любителей наиболее приемлемая фотоаппаратура для микрофильмов — зеркальная камера.
Мини-лаб — автоматическая мини-фотолаборатория, предназначенная для обработки фотоматериалов. В ее состав входят фильм- и принтер-процессор, специализированная микро-ЭВМ и увеличитель, устройства подачи и нарезки рулонной бумаги, сушильная камера и др.
В России и на Украине, а также почти одновременно во всех странах СНГ мини-лабы появились в начале 90-х гг. XX в., но массовая автоматическая обработка с их помощью чувствительных фотоматериалов началась в середине 90-х гг. Уровень качества представляемых мини-лабами услуг рассчитан на фотолюбителей, которые не предъявляют высокие требования к тонкостям цветопередачи.
Профессионалы, как правило, имеют собственную фотолабораторию. Опытные фотолюбители за рубежом тоже стараются приобретать личное простое оборудование для обработки материалов или берут его в аренду. Отечественному потребителю можно рекомендовать найти мини-лаб в действующих лабораториях и работать с ним индивидуально, если, конечно, специалисты, обслуживающие его, на это согласятся. Следует отметить, что для получения высококачественных фотографий лучше всего подходит все же ручная печать.
Далеко не многие мини-фотолаборатории способны сегодня изготовить отпечатки того же уровня. Правда, ручная печать дорога и оправдывает себя только на больших форматах и при изготовлении серии одинаковых фотографий.
Монохроматичный свет — свет одной частоты, характерен для погружения на глубины до нескольких десятков метров. В этом случае все предметы вокругдай-вера кажутся почти одноцветными, и только искусственные источники света способны восстановить богатую цветовую гамму морского дна и его обитателей.
Насадочные линзы — их устанавливают на объектив с целью увеличения масштаба изображения при фотографировании объектов, находящихся вблизи от фотоаппарата.
Основной свет (ключевой) — свет, определяющий главные световые характеристики фотографируемого объекта.
Относительное отверстие объектива (к) — отношение диаметра объектива к фокусному расстоянию. Изменяется с помощью диафрагмы. Предположим, что у двух разных объективов с одинаковым фокусным расстоянием относительное отверстие у первого в 2 раза больше, чем у второго. Это приведет к интересным результатам: освещенность изображения объектов, проецируемых на пленку с помощью первой системы, будет в 4 раза больше, чем при использовании у второй. Относительное отверстие объектива часто называют его светосилой, что не всегда тождественно этому определению.
Отражение света — явление, которое возникает на границе двух сред и заключается в способности света отражаться от объекта в первичную среду.
Панорамный фотоаппарат — камера, конструктивные особенности которой позволяют значительно увеличить ширину снимаемого кадра. Данные фотоаппараты относятся к моделям специального назначения и в подводной фотографии не применяются в виду целого ряда других причин.
В России производят две камеры подобного типа. «Горизонт-202» имеет величину кадра 24x58 мм. Угол панорамы 120°. Затвор фокально-щелевой. Диапазон выдержек от 1/2 до 1/250 с. Камера оборудована курковым взводом и встроенным визирным устройством. Масса 700 г. Цена около 200 долларов.
Для профессиональной панорамной фотографии выпускают фотоаппарат «Горизонт-205рс». Его оптическая система способна зафиксировать площадь кадра в горизонтальной плоскости с углом панорамы 120°. Причем размер кадра в этом случае равен 55x110 мм. Стоимость камеры достигает 1500 долларов.
Параллакс — эффект несовпадения границ кадра, которые видны в видоискателе фотоаппарата, с его величиной, формируемой оптикой на фотопленке. Это происходит из-за несовпадения осей видоискателя и объектива.
Пентапризма — изготовленная из оптического стекла пятиугольная призма в видоискателях однообъективных зеркальных фотоаппаратов. С ее помощью можно добиться прямого изображения снимаемого объекта.
Переходные кольца обеспечивают универсальность различных схем крепления объективов. С их помощью можно использовать оптические системы, не предназначенные специально для конкретного фотоаппарата.
Пиксель (picture element-элемент изображения) — базовый единица любого цифрового изображения. Один светочувствительный элемент матрицы камеры равен одному пикселю, полученного при фотографировании изображения.
Позитив — фотографическое изображение, тональная картина которого соответствует распределению яркостей объекта съемки.
Преломление света — явление, которое происходит на границе сред «вода — стекло — воздух» или «воздух — стекло — воздух». В данном случае имеет место изменение первоначального направления, отраженного от объекта луча света.
Приоритет выдержки — в этом случае выдержку устанавливают вручную, а диафрагма отрабатывается автоматически.
Приоритет диафрагмы — ее значение задается фотографом вручную, а выдержка отрабатывается камерой автоматически.
Просветленный объектив — оптическая система, первая линза которого, находящаяся на границе с воздухом, покрыта тонким слоем специальной прозрачной пленки, уменьшающей поверхность отражения света и частично предотвращающая образование бликов.
Противоореольный слой — слой фотоматериала, который поглощает свет, прошедший через фотоэмульсию и отраженный от подложки пленки.
Разрешающая способность — техническая возможность фотопленки воспроизводить мелкие детали снимаемого объекта.
Разрешающая способность глаза — минимальный размер пятна, который хорошо виден на расстоянии и который человеческий глаз может отличить от геометрической точки.
Разрешающая способность объектива — способность различать мельчайшие детали снимаемого предмета. Как правило, речь идет о возможности оптической системы воспроизводить определенное количество штрихов (например, 50 или 100) на 1 мм изображения.
Рамочный видоискатель — видоискатель, который обычно устанавливают на складных фотокамерах, фотобоксах, камерах-амфибиях. Он представляет собой рамку или несколько рамок, в зависимости от предполагаемого фокусного расстояния объектива, и планку со специальным смотровым отверстием —диоптром.
Рикошетирующая фотовспышка — метод освещения фотографируемого объекта, при котором рефлектор импульсного осветителя направлен на объект с отражающей поверхностью (например, потолок), что позволяет получить результирующее рассеянное освещение и исключить сильно выраженные тени.
Световой блик — яркий, не предусмотренный таким участок снимаемого объекта или появившийся на фотографии вследствие отражения луча света от зеркальной металлической (стеклянной) поверхности. В некоторых случаях блики фотограф создает искусственно для получения определенного художественного эффекта.
Светозащитная бленда — устройство, представляющее собой полую, тонкостенную насадку на объектив конической, цилиндрической или пирамидальной формы. Предназначено для исключения попадания в объектив постороннего света, который не участвует в процессе создания оптического изображения на пленке, а также защищает первую линзу объектива от повреждений. Бленды желательно применять при любых условиях съемки. Устанавливают их и на фотобоксы.
Выпускаются бленды пяти типов: завинчиваемые металлические серии HN, резиновые HR, надвижные с фиксацией НК, защелкивающиеся HS и байонетные НВ.
Для самостоятельного изготовления любой бленды на объектив или иллюминатор бокса можно воспользоваться расчетами, приведенными в издании «250 советов фотографу» (Составители — М.: Советское фото, 1991).
Светорассеяние — ухудшение оптического изображения предмета из-за
отражения света от поверхностей объектива и внутренних деталей
фотоаппарата.
Светосила объектива (диафрагменное число) — величина, обратная
относительному отверстию. Характеризует способность объектива обеспечивать
определенный уровень освещенности при конкретной яркости объекта съемки.
Необходимо иметь в виду, что фактическая светосила объектива всегда меньше той,
которую должно обеспечить геометрическое относительное отверстие. Эта разница
может составлять до 3%.
Светофильтр поляризационный — предназначен для ослабления или устранения бликов на изображении, которые появляются при отражении светового потока от неметаллических поверхностей. Кроме этого, с его помощью возможно устранение дымки.
Светофильтры — сменные оптические элементы, которые применяются для корректировки спектрального состава и интенсивности света, проходящего через объектив в фотоаппарат.
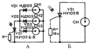
Синхроконтакт — устройство, расположенное в затворе и предназначенное для включения импульсного осветителя в момент работы собственно затвора. Для бескабельного управления фотовспышкой применяютсветосинх-ронизационную схему поджига одной или нескольких газоразрядных ламп — см. схемы: А — при использовании данной схемы с несколькими разнотипными импульсными осветителями исключено их взаимное влияние во время работы, поскольку оно блокируется диодами VD1 —VD3 (с одним фототиристором можно использовать не более 2—3 фотовспышек при невысокой емкости конденсатора); Б — эта схема применяется с одним осветителем любой конструкции, дальность действия на воздухе около 20 м при мощности ведущей фотовспышки 100 Дж (под водой она будет гораздо меньше, поэтому для сохранения высоких эксплутационных характеристик прибора придется устанавливать схему усиления светового импульса).

Схемы светосинхронизаторов для одной и нескольких фотовспышек
Данное устройство довольно дорого, но при наличии необходимых материалов можно изготовить самостоятельно за 1—2 ч.
Система TTL — в практике фотографии данная аббревиатура имеет два значения. В первом случае речь идет о замере освещенности через объектив с последующей установкой экспозиции, во втором — об автоматической системе управления фотовспышкой.
В последнем случае происходит определение величины импульса вспышки, которая необходима для нормальной экспозиции кадра. Получили распространение и расширенные, но несовместимые друг с другом системы, например, Е-TTL и A-TTL (у Canon) и 3 D — замер (у Nikona).
Вспышка дает предварительный импульс, автоматически определяет уровень необходимой его силы в конкретном случае, а затем срабатывает основной импульс. Данная техника позволяет сделать экспозицию с высокой точностью.
Однако в условиях применения подобных фотовспышек в воде с невысокой прозрачностью возрастает вероятность ошибки автоматики из-за наличия взвеси, поэтому в ряде случаев уместно применять ручной режим управления осветителем.
Собственно расстояние, в пределах которого предметы будут резкими, определяется с помощью специальной шкалы, нанесенной на объектив. Для этого необходимо знать величину диафрагмы, с которой придется работать в каждом конкретном случае.
Напротив ее значений, нанесенных на оправу по обеим сторонам от лимба, находятся цифровые данные расстояний, фокусировки объектива. Их значения, уместившиеся между величинами диафрагмы, расположенной по обеим сторонам от среднего значения шкалы, и будут составлять затронутую нами зону фотографирования. В ее пределах все предметы будут резкими. Если они находятся до или после полученного диапазона расстояний — изображение будет нерезким.
Специальные насадки для подводной фотографии — оптические приборы, разработанные отечественными специалистами для увеличения угла зрения штатного объектива (зеркального фотоаппарата типа «Зенит» «Гелиос-44») в условиях водной среды до 80°. Насадки устанавливают как на сам объектив, так и на иллюминатор фотобокса (оптическая полусфера). Оптическая трехлинзовая насадка, изготовленная братьями Е. и В.
Шинкаревыми, позволяла увеличить угол зрения штатного объектива «Гелиос-44М» на воздухе с 40 до 92°. Сферическая полусфера, разработанная С. Глушенко, это своеобразная модификация гидрообъектива системы Торндайка.
В отличие от приведенной выше оптической схемы она работает только в водной
среде, но обладает примерно теми же характеристиками.
Чертежи оптических
насадок опубликованы в журнале «Спортсмен-под-юдник»(1985,№75).
Среднеформатный фотоаппарат — занимает среднее положение между уже известными нам 35-мм зеркальными камерами и крупноформатными фотоаппаратами. Из отечественных моделей данного типа наибольшее распространение получили «Салют» и три камеры «Киев» (88TTL, 60 TTL и «Киев-90»).
В настоящее время совместно с германскими специалистами выпущен фотоаппарат «Киев-88М». Большинство среднеформатных камер зеркальные и од необъективные. Они обладают всеми преимуществами своих 35-мм аналогов, но превосходят их форматом кадра, что повышает качество снимка. Кроме этого, некоторые фотоаппараты имеют сменные видоискатели, что тоже улучшает качество фотографии.
Определенный недостаток среднеформатных камер — малое число кадров. При формате 6x4,5 см можно получить всего 15 негативов или позитивов, при 6x6 см — 12, а 6x7 см — 10 или 12 в зависимости от типа применяемой пленки. Последнее обстоятельство часто останавливало подводных фотографов от активной эксплуатации среднеформатных фотоаппаратов под водой.
Стереоскопическая фотосъемка — под этим названием подразумевается фотографирование объекта или участка местности с двух точек съемки, соответствующих секторам зрения правого и левого глаз. Таким образом, получается объемное изображение искомого объекта. С технической точки зрения для реализации стреоэффекта используют две одинаковые камеры, один фотоаппарат, но с двумя объективами и одной фотопленкой или одну камеру со стереонасадкой.
В нашей стране в начале 60-х гг. и стереосъемку использовали в специальной подводной фотографии при обследовании гидротехнических и глубоководных объектов. Причем глубины, на которых эксплуатировались фотографические стереокомплексы, превышали 100 м.
В 1962—1963 гг. А. Роговым совместно с сотрудниками группы подводных исследований «Союзморниипро-екта» был разработан и испытан литой фотобокс для широкопленочного фотоаппарата «Спутник». Он был рассчитан для глубины около 100 м. Герметичный корпус имел треугольный иллюминатор, что позволяло задействовать все три объектива камеры. Во время испытаний под водой с его помощью были получены не только стереопары удовлетворительного качества, но и обычные фотографии.
Прошло почти 30 лет, но, несмотря на высокий технической уровень развития современной фотоаппаратуры, стереосъемка остается уделом, главным образом, любительского и узкопрофессионального пользования.
Наиболее примечательны разработки второй половины 80-х гг. — стерео-фотокомплексы ФАС-1 и ФАС-2. Для научной подводной фотографии использовались ФАС-3 и ФАС-4. Основой последних моделей стереофотоаппартов служит «Зенит TTL» со штатным объективом «Гелиос-44М» и другими оптическими системами.
Стереофотоаппарат — конструкция, состоящая из двух камер — одной, но с двумя объективами или с одной стереонасадкой. Подобные фотоаппараты позволяют добиться стереоэффекта в фотографии. В этом случае на пленку проецируется изображение видимое несколькими оптическими системами, а последующая обработка фотоматериала позволяет воспроизвести стереоэффект изображения.
В России было предпринято несколько попыток использовать подобные камеры в подводной фотографии, однако широкого применения это новшество не получило. Как правило, данные камеры имели два объектива или использовались два фотоаппарата с собственными оптическими системами и синхронно работающими затворами.
Телеконвертор — оптическое устройство, предназначенное для увеличения фокусного расстояния объективов конкретных фотоаппаратов.
Типы объективов — основные для данного фотоаппарата оптические системы, именуемые на практике «штатниками», т.е., имеют угол зрения примерно 40—50°. Объективы, у которых фокусное расстояние меньше, называют короткофокусными или широкоугольными, а при большем расстоянии — длиннофокусными.
Длиннофокусные объективы (f 135, 180,250,300,500,1000 мм и т.д.) позволяют, находясь на большом расстоянии от объекта, поместить его полностью и даже частично в кадр. Они широко применяются в спортивной и репортерской фотографии, фотоохоте.
Широкоугольники обладают большой глубиной резкости, чем все названные выше оптические системы. Их используют для фотосъемки с близких расстояний, что позволяет работать оперативно.
Кроме этого, широкоугольные объективы способны изменить привычную для человека перспективу, преувеличивая ее. В этом случае в центр кадра помещают сюжетно значимую деталь, на которой фотограф хочет остановить внимание зрителя.
Штатные объективы, большинство из которых имеют фокусное расстояние 45—58 мм, нашли применение во многих видах фотосъемки. У них совершенная оптика, не искажающая перспективу. Особое место занимают так называемые портретные объективы с фокусным расстоянием 80—85 мм. Макрообъективы представляют собой обычный объектив, помещенный вспе-циальный корпус переменной длины.
Тональная перспектива — субъективное ощущение глубины пространства на снимке, связанное с изменением тональных переходов между предметами по мере их удаления от наблюдателя.
Угловое поле (изображения, зрения) объектива — наибольший угол с вершиной в оптическом центре объектива. При этом объекты, находящиеся в его пределах, будут отображены оптической схемой в плоскости кадрового окна. Эта характеристика по сути определяет область использования объектива. Чем он совершеннее, тем выше будет разрешающая способность оптики и четкость изображения. Данная характеристика объектива указана в его паспорте. Для большинства оптических систем фотоаппаратов максимальная разрешающая способность достигается при диафрагме 1:5,6—1 — 11(16)
Угол отражения — угол между нормалью к поверхности предмета и отраженным лучом света.
Угол падения — угол между нормалью к поверхности предмета и собственно лучом, падающим на эту же поверхность.
Угол преломления — угол между нормалью к поверхности предмета и преломленным лучом света.
Удлинительные кольца — их применяют с зеркальными фотоаппаратами, устанавливая между объективом и собственно корпусом камеры. Используют в макросъемке. Для отечественной линейки зеркальных фотоаппаратов «Зенит» выпускается комплект удлинительных колец УТЗТ, которые позволяют фотографировать объекты с расстояния 20—30 см. Конструкция сохраняет все достоинства функции прыгающей диафрагмы объектива. Стоимость УТЗТ 5 долларов.
Флешметр — экспонометр, измеряющий силу света, создаваемого импульсным осветителем.
Фокусное расстояние (/) — расстояние от задней плоскости объектива до заднего главного фокуса объектива. Выражается в миллиметрах и отображено на оправе объектива. Следует иметь в виду, что масштаб изображения видимых оптической системой предметов прямо пропорционален ее фокусному расстоянию. При увеличении фокусного расстояния объектива в 2 раза настолько же возрастают и линейные размеры всех предметов в кадре.

Задний (а) и рабочий (б) отрезки объектива
«Формат 135» — обозначает самую распространенную фотопленку. Она представляет собой перфорированную с обеих сторон кинопленку шириной 35 мм. Поставляется в металлических одноразовых кассетах, оснащенных DX-кодом. Пленки имеют стандартную длину 12,24 и 36 кадров размером 24x36 мм. Фирмы-производители фоточувствительных материалов изготавливают и «Тип 135» с длиной 8,15,27 и 38 кадров.
Причем все указанные на упаковке кадры рабочие. Для заправки в фотоаппарат в начале пленки дополнительно выделено еще 4 кадра. Они имеют обозначение «XX», «X», «00», «0». Один кадр находится в конце рулона — «Е». Фотопленки «Тип 135» в широком ассортименте выпускаются для профессионалов и любителей.
Для профессионалов производят и пленки «Тип 120», «Тип 220». «Тип 120» представляет собой неперфорированную фотопленку шириной 61,5 м. Ее начало приклеено к бумажной ленте, вдвое большей подлине, чем сама пленка. Лента предназначена для защиты чувствительного материала от света при зарядке в фотоаппарат. «Тип 220» отличается вдвое большей длиной ленты за счет ее монтирования и в конце пленки.
Фотографическая широта пленки (L) — интервал нормальных экспозиций чувствительного материала, выражающийся отношением наименьшей экспозиции к наибольшему ее значению. Проще говоря, данная величина подсказывает нам, насколько возможна ошибка в экспозамере. Наибольшей фотографической широтой обладают черно-белые материалы, наименьшей — цветные. Особенно взыскательны к точности установки экспозиции обращаемые цветные фотопленки (без точной экспозиции нарушение цветопередачи неизбежно).
Фотографический затвор — устройство, дозирующее свет, проходящий в фотоаппарат через объектив на светочувствительный слой фотопленки. Наиболее распространены шторно-щелевые и центральные затворы. Они имеютспеци-альные синхроконтакты, позволяющие синхронизировать срабатывание устройства с импульсом осветителя, имеющего кратность до 1/1000 с. По месту расположения затворы делятся на апер-турные и фокальные.
Фотоэлектрический экспонометр — электронное устройство, предназначенное для замера освещенности объекта съемки с целью последующей установки экспозиции. Оно может быть как автономным, т.е. изготовленным в отдельном корпусе, так и встроенным в камеру. Экспонометры производились и для эксплуатации в водной среде, но широкого применения не получили.

Подводный фотоэкспонометр
Фотоэлемент — специальное устройство, генерирующее электрический ток под воздействием источника света.
Цветные светофильтры для печати фотографий — предназначены для коррекции цвета при цветной фотопечати. Могут быть помещены между источником света и негативом или встроены в специальный объектив.
Цветовая температура — цифровая характеристика непрерывного спектра излучения источника света, при которой черное тело излучает свет такого же спектрального состава, что и рассматриваемый свет. Измеряется в градусах Кельвина (К). Большинство фотопленок рассчитаны на температуру освещения 5500 К («дневные пленки»).
Солнечный свет летом и излучение фотовспышки имеют именно данную температуру, а вот свет голубого неба соответствует цветовой температуре 12 500- 25 000 К. Существуют фотопленки, рассчитанные на значение 3200 К («вечерние пленки»).
Они имеют обозначение «Т» и применяются вместе с мощными галогенными лампами. Ими нельзя фотографировать при большем значении цветовой температуры, так как будет нарушена цветопередача (усилен голубой цвет). Если «дневную» пленку снять при галогенном освещении, то кадр получится желтым. Для устранения данного явления в обоих случаях используют конверсионные фильтры, имеющие довольно высокую плотность.
Цветокомпенсационные светофильтры — подразделяются на аддитивные (выделяются зеленый, красный и синий цвета) и субтрактивные (выделяются дополнительные цвета). Применяются для компенсации аномалии источника света и изменения цветочувствительности материала. Используются как при печати, так и при фотосъемке.
Экспозиционная вилка (bracktting) — возможность сделать сразу несколько кадров, но с разной экспозицией. Применяется при сложном освещении объекта. Бывают случаи, когда экспо-замер не позволяетоптимально определить экспозиционные параметры съемки. В такой ситуации с помощью трекадрового брэкетинга, например, один кадр получается с недодержкой, второй — с передержкой, а третий — точно.
Экспозиция — доза излучения, воздействующая на светочувствительное вещество пленки за время ее освещения. Интенсивность облучения зависит от диафрагмы и скорости работы затвора — выдержки.
Экспокоррекция — возможность ввести поправку в экспозицию. При этом могут быть компенсированы негативные моменты в работе автоматики камеры. При определении выдержки и диафрагмы она ориентируется на более освещенную часть кадра. В данном случае человек, фотографируемый, например, на фоне окна, получится в виде темного силуэта. Чтобы этого не было, необходимо вмешаться в установленную автоматикой экспозицию и снять кадр с передержкой заднего плана.
Экспонометрия — световая характеристика объекта съемки.
Электронно-механический фотоаппарат — камера с электронным затвором, работающая без источников питания, но отрабатывающая одну или несколько выдержек.
Электронный фотоаппарат — фотографическая камера с электронным затвором, работающим без элементов питания. Выдержки в автоматическом режиме она отрабатывает бесступенчато.
Яркость — физическая величина, характеризующая световой поток, отраженный поверхностью.
ASA — единица светочувствительности фотоматериала, относящаяся к американскому стандарту.
DIN — единица светочувствительности фотоматериалов, относящаяся к немецкому стандарту
DUO — специальная электронная схема, а также конструкция разъема импульсного осветителя, которая позволяет использовать для синхронизации срабатывания затвора камеры и вспышки кабель как с четырьмя, так и с пятью контактами. Данная разработка японской фирмы Sea&Sea универсальна — она позволяет при наличии фотовспышки оперативно подобрать кабель для фотоаппарата.
DX-кодировка фотопленки — группа контактов на кассете с фотопленкой, которая при соприкосновении с контактной группой в пленочном отсеке фотоаппарата может «передавать» автоматике камеры нужные для ее работы данные о пленке (ее чувствительности, количестве кадров, широте и т.д.). DX-кодировку не следует путать с штрих-кодом, нанесенном на кассете, но предназначенным для считывания информации о пленке проявочно-печатным оборудованием (мини-лабом).

DX-код фотопленки
Если по какой-то причине была искусственно нарушена экспозиция (передержка, недодержка), то при проявке в мини-лабе необходимо обязательно предупредить об этом специалиста или самостоятельно обрабатывать материал с учетом измененных параметров.
JPEG — распространенная особенно в Интернете система сжатия изображения. Обладает низким, недостаточным для отправки электронной почтой объемом файла. Для сохранения высокого качества изображения не применяется. Для этого используется система сжатия Tif.
RAW — формат записи изображения, который позволяет записывать его в том же виде, в каком его зафиксировала матрица фотоаппарата. По качеству превосходит JPEG.
Zoom-вспышка — экономичный импульсный осветитель, который позволяет изменять угол охвата (в зависимости от используемого объектива).
Zoom-объектив — оптическая система с переменным фокусным расстоянием.






