Валопровод водомёта
Показанный на чертеже корпус дейдвудного подшипника рассчитан на установку радиально-упорного шарикоподшипника №46205. Если такого подшипника нет, следует откорректировать размеры под имеющийся в наличии, способный выдержать нагрузку до 200 кгс при частоте вращения около 4000 об/мин. Можно выполнить этот узел по типу «вихревского» редуктора — с упорным подшипником №8106 и игольчатым 2.109-000 или встроить упорный узел гребного вала в редуктор.
Резинометаллический подшипник можно изготовить самостоятельно, воспользовавшись помощью авторемонтной мастерской. Выточив из бронзы или латуни втулку подшипника, ее заполняют мелко нарезанными кусочками сырой маслобензостойкой резины, применяемой для ремонта автомобильных шин. Втулку вставляют со скользящей посадкой в стальной стакан и уплотняют резину при помощи плунжера, осаживаемого любым прессом. Затем стакан с втулкой помещают на 2,5 часа в варочную плиту. После остывания в резине сверлят отверстие диаметром на 2 мм меньше шейки вала и прорезают вдоль него четыре канавки треугольного сечения для подтока воды, которая в данном случае служит смазкой.
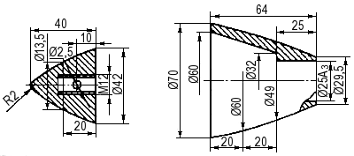
Передний и задний обтекатели показаны на рис. 41.

Рис. 41. Обтекатели гребного вала.






