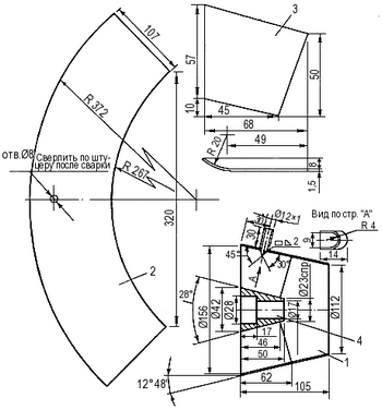
При изготовлении подвесного водомета на базе лодочного мотора Ветерок-12 на листе металла размечают развертки водозаборника, обечайки, спрямляющего аппарата и шести его лопастей (рис. 62). Заготовки вырезаются, зачищаются кромки и на гибочных вальцах или вручную на оправке с помощью киянки производится гибка.
Рис. 62. Водовод и его развертка.
1 — водовод, нержавеющая сталь δ
= 1,5; 2 — развертка водовода.
Затем свариваются продольный боковой шов водозаборника и поперечные швы по фасонным вырезкам, начиная от заднего по ходу воды. Для стягивания при выполнении поперечных швов используется проволока или струбцины. Чтобы брызги расплавленного металла не прилипали к поверхности, перед сваркой деталь следует покрыть раствором мела (30 %) в воде (65 %) с добавлением 5 % жидкого стекла. Швы тщательно зачищаются, производится развальцовка роликом задней кромки водозаборника на токарном станке с использованием оправки. При развальцовке шпиндель проворачивается только вручную: при этом нужно следить, чтобы кромка водозаборника прижималась к торцу оправки.
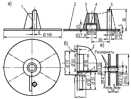
Изготовление спрямляющего аппарата начинается с разметки мест приварки лопаток на предварительно выточенной ступице. Основание ступицы делится на 6 равных частей, затем на разметочной плите рейсмусом или при помощи угольника на образующей ступицы проводятся прямые линии, параллельные оси.

Рис. 63. Спрямляющий аппарат и его детали.
1 — спрямляющий аппарат
в сборе; 2 — развертка обечайки спрямляющего аппарата, нержавеющая сталь δ =
1,5; 3 — лопатка спрямляющего аппарата: 6 шт., нержавеющая сталь δ = 1,5; 4 —
ступица спрямляющего аппарата, нержавеющая сталь.

Рис. 64. Детали крепления спрямляющего аппарата.
1 — кронштейн,
нержавеющая сталь δ = 2,0; 2 — хомут, нержавеющая сталь; 3 — уголок, нержавеющая
сталь δ = 2,0.
Для приварки лопаток необходимо сделать приспособление, показанное на рис. 65.

Рис. 65. Технологические приспособления:
а — приспособление для
приварки спрямляющих лопаток к ступице: 1 — лопатка; 2 — плита, сталь; 3 —
ступица спрямляющего аппарата; 4 — бобышка, сталь; 5 — стойка, сталь; б — схема
развальцовки выходного патрубка водозаборника: 1 — оправка в патроне токарного
станка; 2 — водозаборник; 3 — ролик в державке, Ст. 45, калить;
в —
приспособление для сборки водозаборника с редуктором, сталь.
На бобышку приспособления устанавливается ступица, совмещаются контрольные линии на ступице и на приспособлении. Лопатка прижимается к стойке, совмещается с линиями и в двух-трех точках прихватывается. Затем, последовательно поворачивая ступицу, ставят на прихватки все остальные лопатки. Их приварка производится двусторонним швом с катетом 4 мм. Затем ступица с лопатками протачивается в оправке по наружному диаметру так, чтобы лопатки плотно входили в обечайку (с предварительно сваренным продольным швом) и передние кромки их совмещались с передней кромкой обечайки. Ступица с лопатками устанавливается на ровную плиту, на нее надевается обечайка и лопатки с выпуклой их стороны прихватываются к ней. Приварка лопаток производится только с выпуклой стороны и на половину их ширины.
Штуцер для охлаждающей воды приваривается к обечайке между лопатками на стороне, противоположной продольному шву. Козырек штуцера припаивается изнутри припоем ПОС-30. Уплотнительное кольцо приклеивается к обечайке клеем «Н88» на расстоянии 4 мм от передней кромки. Обтекатель изготавливается из пенопласта и вклеивается в ступицу тем же клеем. Все неровности в водозаборнике и спрямляющем аппарате шпаклюются эпоксидной шпаклевкой. Детали силовой передачи — фланец (рис. 66), стакан (рис. 67), ведущая шестерня, обойма манжеты (рис. 68) выполняются по известным технологиям.

Рис. 66. Фланец, нержавеющая сталь.

Рис. 67. Стакан ведущей шестерни, нержавеющая сталь.

Рис. 68. Обойма манжеты, нержавеющая сталь, латунь.
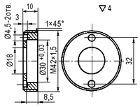
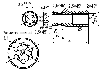
Шлицы на шлицевой муфте (рис. 69) можно выпилить вручную.

Рис. 69. Муфта, сталь 45 калить HRC = 45-50.
Для этого в муфту на всю ее длину вставляется стальная пробка; чтобы ее зафиксировать сверлится поперечное отверстие Ø 5 мм и в него вставляется штифт. Затем на торце Ø 24 мм проводится окружность Ø 12,6 мм, которая делится на 6 равных частей. В отмеченных точках сверлятся 6 отверстий Ø 3,4 мм на глубину 25 мм, пробка вынимается, и шлицы обрабатываются надфилем по шлицам ведущей шестерни. Муфта должна плотно входить на шлицы шестерни на глубину 25 мм.






