Конструкция водомёта из лодочного мотора Салют
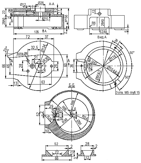
Водометная приставка (конструкция Н. Молчанова) имеет размер по диаметру 134 мм и по высоте 70 мм. Замена редуктора и гребного винта на приставку занимает 3-5 минут, при этом требуется отвернуть три винта. Ведущий валик и трубка подачи воды для охлаждения в рубашку цилиндра остаются без изменения.
Водометный движитель крепится винтами в освободившиеся резьбовые отверстия. Почти все детали приставки изготовляются из дюраля марки Д16Т, за исключением диска, штуцера водозаборника и корпуса подшипника, которые вытачиваются из фторопласта или винипласта.
Вращающий крыльчатку валик устанавливается на двух шариковых подшипниках: верхний типа 4ГПЗ-6100 10×26 мм, нижний — 4ГПЗ-6027 7×22 мм. При изготовлении корпуса, диффузора и заборной решетки необходимо обратить внимание на следующие моменты. Корпус водомета обрабатывается из семи центровых точек, а диффузор и заборная решетка — из двух. Если нельзя достать упомянутые подшипники, то следует изменить размеры выточек в корпусе и заборной решетке на любые другие.
У штуцера, в который при сборке вставляется трубка подачи воды охлаждения Ø 30 мм, необходимо подрезать с двух сторон фланец, а фланец корпуса верхнего подшипника подрезать с одной стороны по месту на корпусе. До сборки водомета надо в его корпусе изнутри поставить два винта для соединения корпуса водомета с дейдвудной трубой. Затем углубить до нужного размера отверстия под винты (лучше с потайными головками). При сборке корпуса (рис. 87) сначала устанавливается узел валика в собранном виде (рис. 88).

Рис. 87. Корпус.

Рис. 88. Валик и крыльчатка
а — крыльчатка; б — валик.
Затем нужно вставить на место и закрепить двумя винтами водяной патрубок (рис. 89).

Рис. 89. Водяной патрубок, корпус подшипника и диск.
1 — корпус
подшипника; 2 — водяной патрубок; 3 — диск.
Корпус водомета крепится с дейдвудной трубой мотора
тремя винтами — один сверху и два внутри корпуса. Головки винтов утапливаются
так, чтобы они не мешали вращению крыльчатки. После соединения корпуса с мотором
на валик крыльчатки надевается диск (рис. 89, 3), улучшающий скольжение
крыльчатки. После этого в паз на валик нужно поставить шпонку и надеть
крыльчатку, надеть соответствующие шайбы и закрепить их гайкой. Затянув гайку,
нужно проверить плавность хода крыльчатки. Далее ставят на место диффузор
(рис. 90).

Рис. 90. Диффузор.
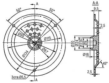
Затем устанавливается заборная решетка (рис. 91) с нижним подшипником и закрепляется тремя винтами.

Рис. 91. Заборная решетка.
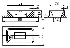
Далее ставят носик (рис. 92), устанавливают диафрагму (рис. 93) и приступают к испытаниям водомета.

Рис. 92. Носик.

Рис. 93. Диафрагма.
Длина мотора с приставкой на 100 мм меньше, чем с винтом, что дает возможность эксплуатировать его на мелководье и в засоренных водоемах.






