Ремонт и замена деталей редуктора лодочного мотора Вихрь
Уплотнить проход тяги реверса в корпус редуктора лодочного мотора "Вихрь" можно, осадив в него глубже втулку 2.205-002. При этом поджимается резиновое уплотнительное кольцо. Но если люфт тяги не устраняется, необходима замена втулки и кольца. Для этого тягу реверса опускают внутрь корпуса редуктора в расточку под втулку 2.205-002 так, чтобы ее резьбовой конец выступал на 30-40 мм. Если при опускании тяги понадобится ее выпрямить, то вначале нужно из проволоки сделать шаблон ее формы и только после этого приступать к выпрямлению. На нее надевают и опускают по тяге в расточку новое резиновое кольцо. Затем на тягу надевают новую втулку и легкими ударами молотка по трубчатой выколотке (рис. 63) запрессовывают до упора в буртик. После этого тяге придают прежнюю форму по шаблону.

Рис. 63. Выколотки: а — для монтажа втулки тяги реверса; 6 — для демонтажа тяги реверса
Для увеличения надежности уплотнения в этом узле втулку лучше несколько модернизировать (рис. 64), поместив в специальную канавку второе уплотнительное кольцо. Внутреннюю полость втулки при сборке смазывают консистентной смазкой.

Рис. 64. Втулки тяги реверса: а — модернизированная; б — серийная 2.205-002. Материал втулок — ЛС59. 1 — резиновое кольцо 2.205-003
Необходимо проверить отсутствие люфта в соединении нижнего конца тяги реверса с коромыслом, передвигающим муфту. Люфт позволяет тяге проворачиваться вокруг оси, но вызывает перекос пальца 2.000-007 в планке реверса, расположенной в поддоне, что затрудняет переключение реверса. Для устранения люфта тягу нужно максимально вытянуть в сторону разъема корпуса редуктора, под заклепку положить массивную поддержку и легкими ударами молотка осадить заклепку (рис. 65), но так, чтобы сохранилась подвижность коромысла.
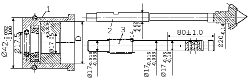
При увеличенном радиальном люфте гребного вала в подшишнике скольжения 2.212-002 его следует заменить, одновременно поставив и новую манжету 2.218-000 (рис. 66). Для этого стакан нагревают до 60-80°С и при помощи цанговой оправки или выколотки подшипник и манжеты выпрессовывают в сторону открытого торца. Наружное 2.212-003 и внутреннее 2.212-004 резиновые уплотнительные кольца стакана перед нагревом должны быть сняты. Перед сборкой втулку опять нагревают до 60-80°С и в нее до упора в торец запрессовывают (пружиной вверх, в сторону открытого торца стакана) манжету и подшипник (фаска на наружном диаметре должна быть направлена вниз), предварительно покрытые смазкой ЦИАТИМ-201. После остывания стакана ставят резиновые кольца.

Рис. 66. Посадочные размеры подшипника скольжения гребного вала и вала-шестерни. 1 — стакан 2.212-001 с подшипником скольжения; 2 — вал-шестерня 2.202-020; 3 — гребной вал 2.202-007. Диаметр D стакана 35А, втулки - 35Пр12а
При замене упорного подшипника № 8106 кольцо с меньшим внутренним диаметром (оно обычно не имеет клейма завода-изготовителя) напрессовывают на втулку шестерни переднего хода до упора, затем надевают сепаратор с шариками и второе кольцо. После этого на втулку надевают роликовый подшипник 2.119-000 и его наружную втулку 2.202-013. В случае замены самих роликов их вставляют в гнезда сепаратора с внутренней стороны. При замене шарикоподшипника № 60304 в редукторе старой модификации его сначала впрессовывают в стакан подшипника защитной шайбой в сторону буртика, а затем напрессовывают на вал-шестерню, дотягивают гайкой, которую контрят. Между буртиком вала-шестерни и внутренней обоймой подшипника устанавливают регулировочные шайбы.
При длительной эксплуатации на вале-шестерне и гребном валу в зоне контакта с уплотнительными манжетами появляются коррозионные раковины. Детали с такими пороками следует заменять, так как обеспечить на продолжительное время герметичность, даже установив новые манжеты, не удастся. Однако, если нет других дефектов, вал-шестерню и гребной вал можно восстановить, нанеся слой хрома на изношенный участок. Для этого пораженные коррозией места шлифуют в центрах с уменьшением диаметра на 0.15 мм. Затем хромируют и начисто шлифуют до нужного размера (см. рис. 66). При шлифовании валы устанавливают в имеющиеся на них центры с обеспечением биения шлифуемых поверхностей не более 0.02 мм.
При появлении на выступах муфты переключения реверса и впадинах шестерен радиусных скруглений муфту и шестерню необходимо заменить или попытаться отремонтировать изношенные. Износу особенно подвержены выступы муфты, сцепляющиеся с шестерней переднего хода. Поэтому работоспособность узла можно восстановить, сняв муфту и повернув ее на 180° так, чтобы с шестерней переднего хода сцеплялись выступы муфты, ранее сцеплявшиеся с шестерней заднего хода. При значительном износе сопрягающихся поверхностей восстанавливают их работоспособность, обработав выступы муфты на наждачном круге, а впадины шестерни — наждачным камнем небольшого диаметра, укрепленным на оправ (рис. 67). Правда, если снимается большой слой металла, такой узел проработает недолго, так как удаляется закаленный поверхностный слой.

Рис. 67. Приспособление для ремонта впадин шестерни. 1 — стальная оправка; 2 — абразивный камень; А — места обработки
При замене шестерен и муфты реверса следует учитывать, что детали редуктора старой конструкции устанавливать в корпус редуктора новой конструкции нельзя, а вот детали редуктора новой конструкции можно устанавливать в корпус редуктора старой конструкции с медно-графитовой втулкой. Если на валу-шестерне 4.202-020 сошлифовать буртик под подшипник № 202 (диаметр 15+0.11-0.21 мм) до диаметра 14+0.02-0.07 мм, его можно использовать в редукторе с медно-графитовой втулкой. При установке в старый редуктор шестерен новой конструкции вал-шестерню прессуют в шарикоподшипник № 60304, размещенный в стакане, но не контрят гайкой, так как усилие при работе шестерни направлено из редуктора наружу.
Следует учитывать также то, что шестерни новой конструкции имеют усиленные впадины, а муфты — усиленные выступы, поэтому применять их желательно в комплекте, а шестерни редуктора старой конструкции комплектовать соответствующей муфтой. Уплотняющие манжеты редукторов также имеют некоторое отличие (4.215-000).






