Водоотливные шпигаты
Поскольку на ходу мотолодки всегда имеют дифферент на корму, то трюмная вода скапливается у транца, где обычно и ставят донные отливные шпигаты. Для уменьшения гидродинамического сопротивления патрубку шпигата придают обтекаемую форму.
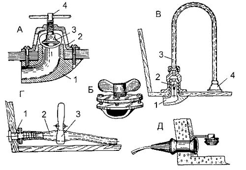
Второе (входное) отверстие выходит внутрь лодки и снабжается завинчивающейся пробкой либо запорным вентилем, открывать которые можно только при скорости выше 10 км/ час или на берегу (рис. 59, А).

Рис. 59. Конструкции водоотливных шпигатов.
А - донный
шпигат с запорным вентилем: 1 - шпигат; 2 - стойка; 3 - тарелка вентиля; 4 -
винт;
Б - донный шпигат с запорной пробкой и невозвратным клапаном.
В -
шпигат с сифоном: 1 - шпигат; 2 - шарик клапана; 3 - трубка сифона; 4 - приемная
сетка;
Г - транцевый шпигат с зажимом: 1 - штуцер; 2 - резиновая трубка; 3 -
лабораторный зажим.
Д - транцевый шпигат с резиновым лепестковым
клапаном.
Более удобны шпигаты с невозвратными и сифонными клапанами (рис. 59, Б, В). В шпигате (рис. 59, Б) роль невозвратного клапана выполняет эластичный резиновый диск. Если лодка неподвижна или идет задним ходом, то под давлением забортной воды диск перекрывает входное отверстие шпигата. При длительной стоянке этот шпигат должен завинчиваться пробкой. Шпигат с сифоном действует «автоматически». Трубка сифона должна располагаться выше ватерлинии во избежание обратного заливания трюма. При заднем ходе поступление воды в лодку предотвращает шариковый клапан, приемный патрубок которого снабжен сеткой.
На скоростных мотолодках, транец которых на
ходу полностью осушается, устанавливают транцевые шпигаты. Наиболее
распространены простейшие завинчивающиеся пробки. На рис. 59, Г показан
шпигат с резиновым шлангом, который перекрывается обычным лабораторным зажимом.
Шпигат на рис. 59, Д имеет невозвратный резиновый клапан лепесткового
типа, подобного тому, какой используется в противогазах. При оборудовании лодки
шпигатом следует иметь в виду, что донные шпигаты, установленные слишком близко
к килю у транца могут неблагоприятно повлиять на работу гребного
винта.
Автоматический шпигат
Этот простой шпигат монтируется при помощи фланца 2 (рис. 60) на днище вблизи транца. Легкий полиэтиленовый шарик 4 на стоянке, всплывая, надежно перекрывает отверстие; в случае необходимости можно завернуть пробку 1.
Усовершенствованный эжектор
Для большинства конструкций шпигатов характерен один недостаток — отсутствие надежного контроля за функционированием запирающего клапана, что чревато затоплением лодки на стоянке. В предлагаемой конструкции (разработка А. Каменского и Л. Кресова), как и в предыдущем случае, использован эффект сифона, что позволяет обходиться без дополнительных отверстий в корпусе. Крепление эжектора на кронштейнах позволяет легко поднять его над водой, когда необходимость в откачке воды отпадает. Конструкция эжектора понятна из рисунков (рис. 62 и 63).
Эжектор для подвесного мотора
Идея такого приспособления состоит в том, что струя воды от работающего винта с большой скоростью проходит через эжектор, где создается разрежение, и вода из лодки засасывается по шлангу (рис. 61).






