Изготовление сопла и спрямляющего аппарата для водомета на катере Мурена
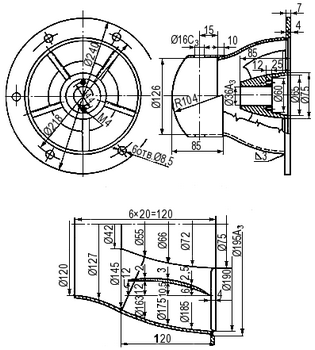
Для изготовления сопла нужно по размерам, приведенным на чертеже (рис. 37), выточить на токарном станке из твердого дерева или металла болван и по нему выколотить или выдавить обечайку из нержавеющей стали толщиной 2-3 мм.

Рис. 37. Сопло, спрямляющий аппарат и его ступица (нумерация соответствует рис. 31).
Для облегчения этой работы заготовку сопла можно выкроить в виде
трех-шести лепестков с припуском по кромкам для последующей подгонки; каждый из
лепестков выколачивается до плотного прилегания к поверхности болвана. Уложив
подогнанные друг к другу лепестки на болван, их стягивают хомутами из мягкой
проволоки, затем надевают на болван фланец и прихватывают его к лепесткам.
Окончательную сварку швов ведут небольшими участками на диаметрально
противоположных сторонах сопла, чтобы избежать коробления.
Заготовки лопаток спрямляющего аппарата изгибают и обрабатывают, контролируя форму поперечного сечения по шаблону. Вытачивают ступицу, подгоняют и приваривают к ней концы лопаток. Для обеспечения точности сборки лучше всего изготовить сборочный кондуктор, в котором фиксируются лопатки, ступица и фланец крепления сопла к водозаборнику.
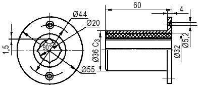
После сварки лопаток со ступицей их внешние концы протачивают по продольному профилю сопла, затем все детали крепят в кондукторе. Здесь к торцу обечайки приваривают фланец, заваривают швы по концам лопаток. Затем производится окончательная проточка посадочного углубления во фланце и расточка втулки под резинометаллический подшипник (рис. 38). В обечайку вваривается штуцер для забора воды в систему охлаждения двигателя.

Рис. 38. Резинометаллический подшипник.
Все поверхности спрямляющего аппарата, омываемые водой, зачищают от наплывов сварки, мелкие раковины шпаклюют эпоксидной шпаклевкой, все полируют.






