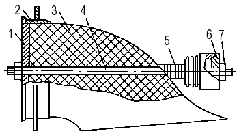
Устройство водозаборника для водометного движителя на катере Мурена
Водозаборник для водометного движителя представляет собой патрубок довольно сложной конфигурации. Его конец, примыкающий к днищу, имеет прямоугольное сечение, которое постепенно переходит в цилиндр в месте расположения ротора. Если корпус катера строится из стеклопластика, имеет смысл изготовить водозаборник также из пластмассы и приформовать его нижнюю кромку непосредственно к днищу корпуса, для этого не потребуется металлический крепеж.
Для формования водозаборника (рис. 33) необходимо изготовить форму — болван (рис. 34), которая в точности копирует внутреннюю поверхность патрубка и обеспечивает сопряжение с деталями, замоноличиваемыми в пластик.

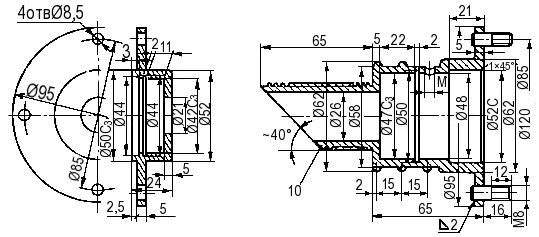
Рис. 33. Теоретический чертеж и таблица ординат водозаборника (диаметр статора 190 мм).

Рис. 34. Болван для формования водозаборника. 1 — цилиндрическая часть диаметром 190 мм для посадки кольца статора; 2 — плита в ДП; 3 — шаблон для контроля наружной поверхности болвана; 4 — плита основания, вырезанная по контуру отверстия в днище; 5 — фанера.
После отверждения стеклопластика болван приходится удалять из водозаборника, что обязательно нужно учитывать. Проще всего сделать его из небольших кусков пенопласта, соединяя их между собой «точечной» склейкой эпоксидным связующим.
На тонкой пенопластовой плите размером 600 × 250 мм нужно вычертить контур водозаборника в ДП. Обрезав плиту по этому контуру, с боков к ней приклеивают две части основания, обработанных по контуру днищевого отверстия. Затем к вертикальной плите приклеивают две половинки диска диаметром 190 мм, оформляющего цилиндрический конец патрубка, на который можно насадить кольцо статора. Остается заполнить пространство между этими плитами кусками пенопласта и обработать их, контролируя поверхность при помощи шаблонов поперечных сечений, вырезанных из фанеры. Окончательную обработку выполняют шкуркой, затем поверхность шпаклюют, вновь обрабатывают шкуркой и окрашивают.
По контуру входного отверстия водозаборник должен иметь фланец шириной 20-35 мм для приформовки к днищу, поэтому болван нужно поставить на основание из толстой фанеры. Далее нужно подготовить закладные части — корпус смотрового лючка, корпус дейдвудного подшипника (рис. 35), воздушный штуцер и планки для крепления решетки.

Рис. 35. Корпус дейдвудного подшипника.
Требуемая точность монтажа линии вала обеспечивается при помощи «фальшивого» вала и центрирующего диска, совмещаемого с наружным отверстием статора. Пропустив вал через отверстие, просверленное в болване, на его внутренний конец надевают корпус дейдвудного подшипника или, в случае, если упорный подшипник вмонтирован в редуктор двигателя, патрубок для крепления сальника. Второй вариант предпочтительнее, так как отпадает необходимость в точной центровке линии вала в пределах водометного движителя. Затянув гайки на концах фальшвала, фиксируют центрующий диск и корпус подшипника на болване. У входной части водозаборника к болвану крепят полоски резины толщиной 4 мм для того чтобы на внутренней поверхности водозаборника получились углубления под пластинки, к которым привинчивают защитную решетку.
Поверхность болвана покрывают разделительным слоем (разведенный в скипидаре воск, мастика для натирания паркетных полов, вазелин и т. п.), который должен обеспечить легкое отделение болвана от стеклопластика после его отверждения. Поверхности металлических деталей, которые должны надежно склеиться, зачищают и тщательно обезжиривают ацетоном либо другим растворителем. Затем наносят декоративный слой, который предохранит поверхность стеклопластика от износа, позволит получить гладкую глянцевую поверхность водовода. Декоративный слой приготовляют из эпоксидного связующего с введением в него 10 % двуокиси титана, окиси хрома или алюминиевой пудры. После желатинизации пигментированного слоя можно приступать к выклеиванию водозаборника.
Стеклоткань нужно раскроить на куски или полосы с таким расчетом, чтобы слои ее плотно ложились на поверхность болвана без морщин и пузырьков воздуха. Нанеся слой связующего, накладывают слой стеклоткани и тщательно приглаживают ее к поверхности, следя, чтобы связующее равномерно, без пропусков проступило сквозь ткань. Общая толщина стеклопластика должна составлять 6-8 мм. Наклеив несколько слоев ткани, устанавливают на свои места корпус смотрового лючка, воздушный штуцер и закладные металлические планки с резьбовыми отверстиями для крепления защитной решетки, затем продолжают формование.
Есть другой вариант установки решетки: после снятия водозаборника с болвана под концы продольных полос решетки в стеклопластике пропиливают вертикальные пазы, вставляют полосы и временно закрепляют их при помощи клинышков, затем заклеивают пазы эпоксидным клеем со стекловолокном. Крепление концов получается более надежным, если у концов в полосах просверлить отверстия. Лучше всего завершить формование водозаборника за один прием и выдержать его на болване в течение двух суток, после чего можно вынимать из него пенопластовый болван. Это можно делать сразу с двух сторон патрубка.
Болван можно изготовить из гипса или дерева, применить для облегчения наружной обработки воск или пластилин. При изготовлении по одному болвану нескольких водозаборников удобен деревянный болван разъемной конструкции (см. также 4 списка литературы).
Иногда предпочтительнее изготовить водозаборник из тонко листового (2-3 мм) металла. И в этом случае тоже необходим болван, по которому делают предварительную разметку отдельных частей водозаборника, имеющих сравнительно простую погибь. Для каждой части вырезают шаблон из картона или тонкой жести, который используется для разметки на металле. Заготовки подвергают выколотке — придают им нужную форму, нанося удары молотком со скругленной ударной частью по внутренней поверхности заготовки, положенной на торец березовой чурки. Периодически заготовки прикладывают к болвану для контроля их формы.
По окончании выколотки заготовки подгоняют друг к другу по кромкам и, уложив на болване, прихватывают сваркой. Окончательная сварка выполняется после прихватки днищевого фланца и цилиндрического кольца статора. Все швы заваривают снаружи, места сварки тщательно зачищают; внутреннюю поверхность водозаборника желательно отполировать.
Устанавливать и приваривать корпус дейдвудного подшипника нужно при помощи такого же кондуктора с фальшвалом, как в случае стеклопластикового водозаборника (рис. 36).

Рис. 36. Схема приспособления для установки корпуса дейдвудного подшипника. 1 — диск, центрирующий гребной вал в статоре; 2 — статор; 3 — болван водозаборника; 4 — фальшвал; 5 — корпус дейдвудного подшипника; 6 — диск, центрирующий вал в корпусе 5; 7— гайка М20.






